EasyManua.ls Logo

Panasonic CS-E18NKR - Page 55

Panasonic CS-E18NKR
205 pages
Print Icon
To Next Page IconTo Next Page
To Next Page IconTo Next Page
To Previous Page IconTo Previous Page
To Previous Page IconTo Previous Page
Loading...
55
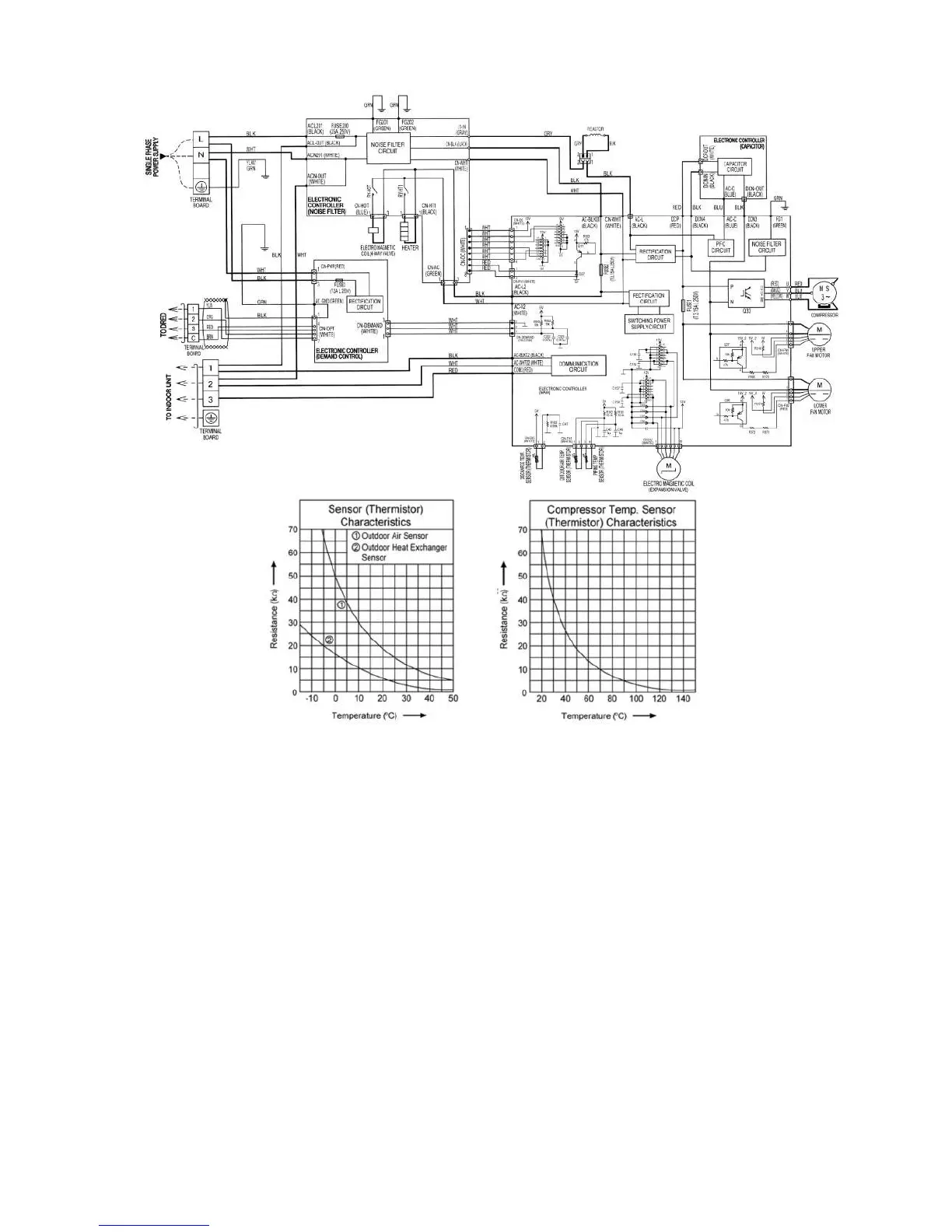
9.2.5 CU-E28NKR

Table of Contents

Other manuals for Panasonic CS-E18NKR

Related product manuals