EasyManua.ls Logo

Panasonic CS-E28PKR - Page 50

Panasonic CS-E28PKR
205 pages
Print Icon
To Next Page IconTo Next Page
To Next Page IconTo Next Page
To Previous Page IconTo Previous Page
To Previous Page IconTo Previous Page
Loading...
50
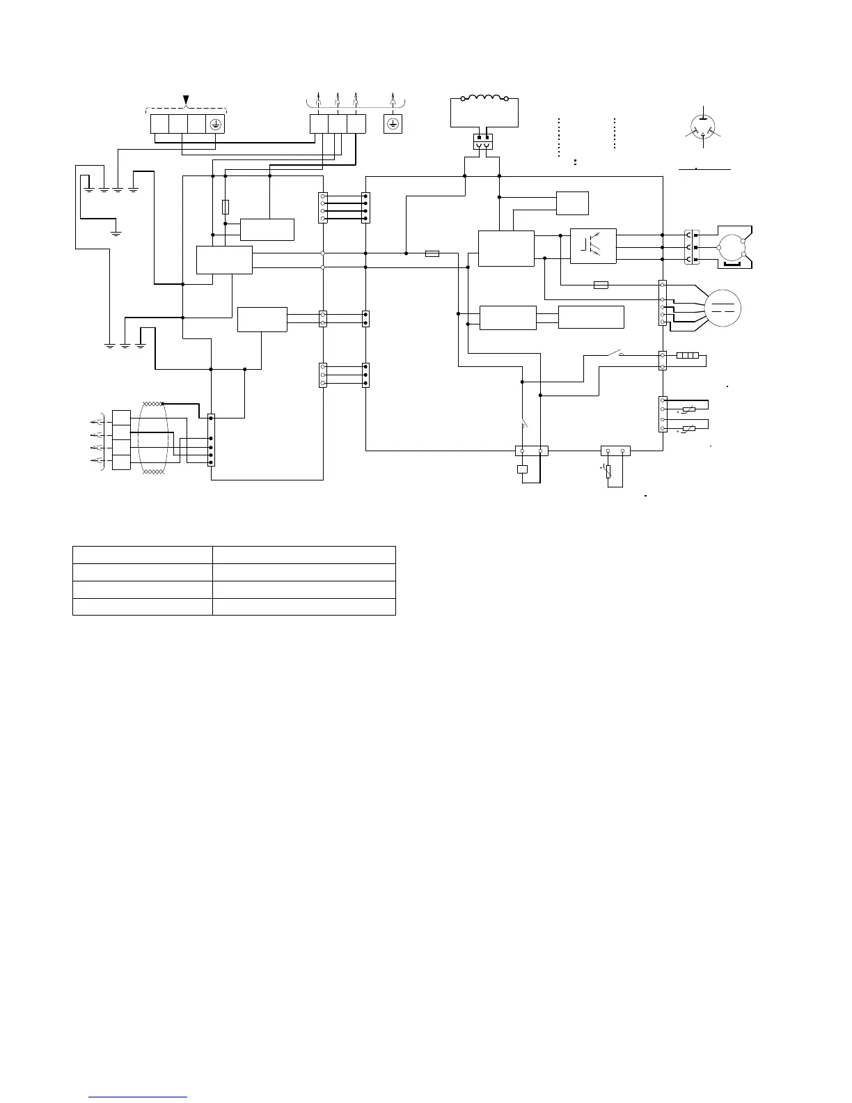
8.2.4 CU-E24PKR
Resistance of Compressor Windings
CONNECTION 5KD240XAF21 ()
U-V 0.720
U-W 0.726
V-W 0.708
ELECTRONIC CONTROLLER
(NOISE FILTER)
CN-OPT
(WHITE)
1
BLK
GRN
(GREEN)
FG3
FG2
(GREEN)
FG1
(GREEN)
NOISE FILTER
CIRCUIT
NOISE FILTER
CIRCUIT
COMMUNICATION
CIRCUIT
CN-BLK
(BLACK)
CN-COM
(YELLOW)
CN-COM
(YELLOW)
AC-BLK
(BLACK)
CN-WHT
(WHITE)
AC-WHT
(WHITE)
CN-V1
(WHITE)
CN-PWR
(WHITE)
CN-DEMAND
(WHITE)
RECTIFICATION
CIRCUIT
RECT IFICATION
CIRCUIT
SWITCHING POWER
SUPPLY CIRCUIT
FUSE1
(T3.15A L250V)
FUSE2
(T3.15A L250V)
FUSE3
(25A, 250V)
COM3
(RED)
ACL1
(BLACK)
ACN1
(WHITE)
YLW/GRN
YLW/GRN
TERM INAL
BOARD
TERMINAL
BOARD
TO INDOOR UNIT
POWER SUPPLY
GRN
GRN
L
123
N
WHT
WHT
RED
GRY
GRY
BLK
L2-0
(BLACK)
PFC
CIRCUIT
BLUE
(BLU)
RED
(RED)
YELLOW (YLW)
(TRADEMARK)
COMP
TERMIN A L
ELECTRONIC CONTROLLER (MAIN)
L2-1
(GRAY)
1
1
2
2
BLK
R
E
A
C
T
O
R
BLK
BLK
Q10
P
N
W
U
(RED) U
RED
BLU
BLU
YLW YLW
YLW
BLU
FAN MOTOR
M
RED
RED
HEATER
OUTDOOR AIR TEMP SENSOR
(THERMISTOR)
PIPING TEMP SENSOR
(THERMISTOR)
DISCHARGE TEMP
SENSOR (THERMISTOR)
ELECTRO-MA GN ETIC
COIL (4-W AY VALVE)
CN-HT
(BLACK)
CN-FM
(WHITE)
RY-HT
BLK
WHT
COMPRESSOR
MS
3
~
33
1
1
4
7
1
1
1
13
2
4
CN-TH1
(WHITE)
CN-DIS
(WHITE)
CN-HOT
(BLUE)
RY-HOT
t
t
t
3
1
(BLUE) V
(YELLOW) W
V
CN-DEMAND
(WHITE)
2
2
1
1
4
4
WHT
WHT
WHT
WHT
1
1
1
1
3
3
RED
BLK
WHT
WHT
WHT
WHT
BLK
GRN
YLW
ORG
RED
BRW
DRM
C
3
2
1
TERMINAL
BOARD
TO DRED
4
7
REMARKS
BLU
BLUE BRW BROWN
ORG
ORANGE BLK BLACK
YLW
YELLOW WHT WHITE
GRY
GRAY RED RED
GRN
GREEN
YLW/GRN
YELLOW/GREEN

Table of Contents

Other manuals for Panasonic CS-E28PKR

Related product manuals