EasyManua.ls Logo

Panasonic CS-F43DD2E5 - Cu-B28 Dbe8

Panasonic CS-F43DD2E5
145 pages
Print Icon
To Next Page IconTo Next Page
To Next Page IconTo Next Page
To Previous Page IconTo Previous Page
To Previous Page IconTo Previous Page
Loading...
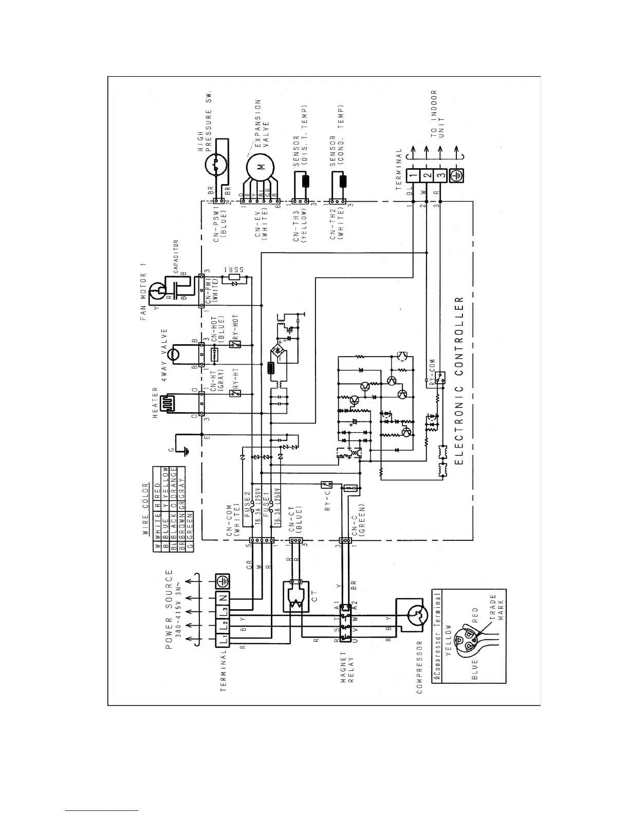
7.3. CU-B28DBE8
23

Table of Contents

Other manuals for Panasonic CS-F43DD2E5

Related product manuals