EasyManua.ls Logo

Panasonic CS-PS9NKV

Panasonic CS-PS9NKV
108 pages
To Next Page IconTo Next Page
To Next Page IconTo Next Page
To Previous Page IconTo Previous Page
To Previous Page IconTo Previous Page
Loading...
23
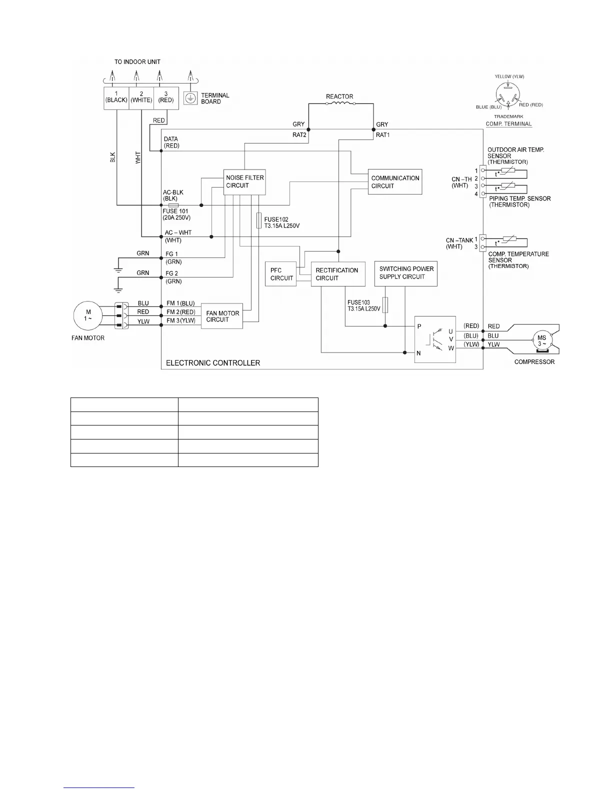
7.2.2 CU-PS12NKV
Resistance of Compressor Windings
MODEL CU-PS12NKV
CONNECTION 5RS092XCD21
U-V 1.152
U-W 1.152
V-W 1.152

Table of Contents

Related product manuals