EasyManua.ls Logo

Panasonic CS-PS9NKV

Panasonic CS-PS9NKV
108 pages
To Next Page IconTo Next Page
To Next Page IconTo Next Page
To Previous Page IconTo Previous Page
To Previous Page IconTo Previous Page
Loading...
27
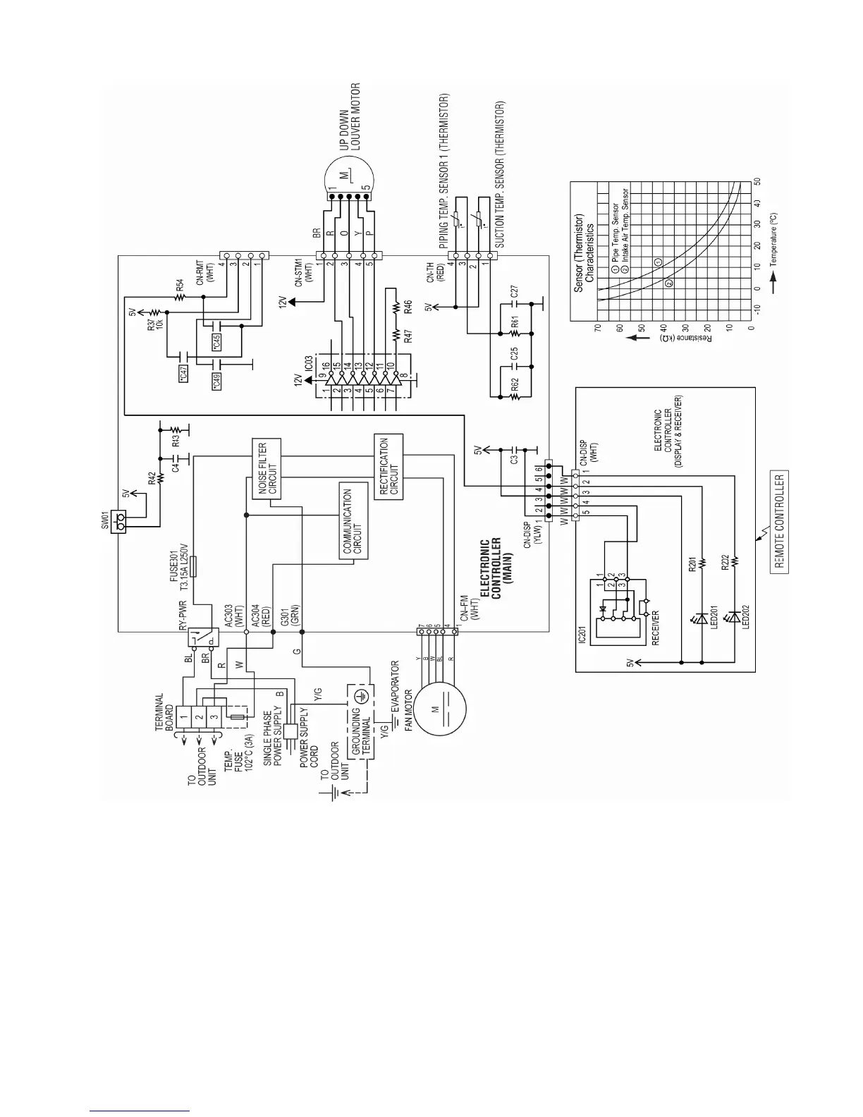
8.1.2 CS-PS18NKV CS-PS24NKV

Table of Contents

Related product manuals