EasyManua.ls Logo

Panasonic CS-S12NKUA

Panasonic CS-S12NKUA
74 pages
To Next Page IconTo Next Page
To Next Page IconTo Next Page
To Previous Page IconTo Previous Page
To Previous Page IconTo Previous Page
Loading...
15
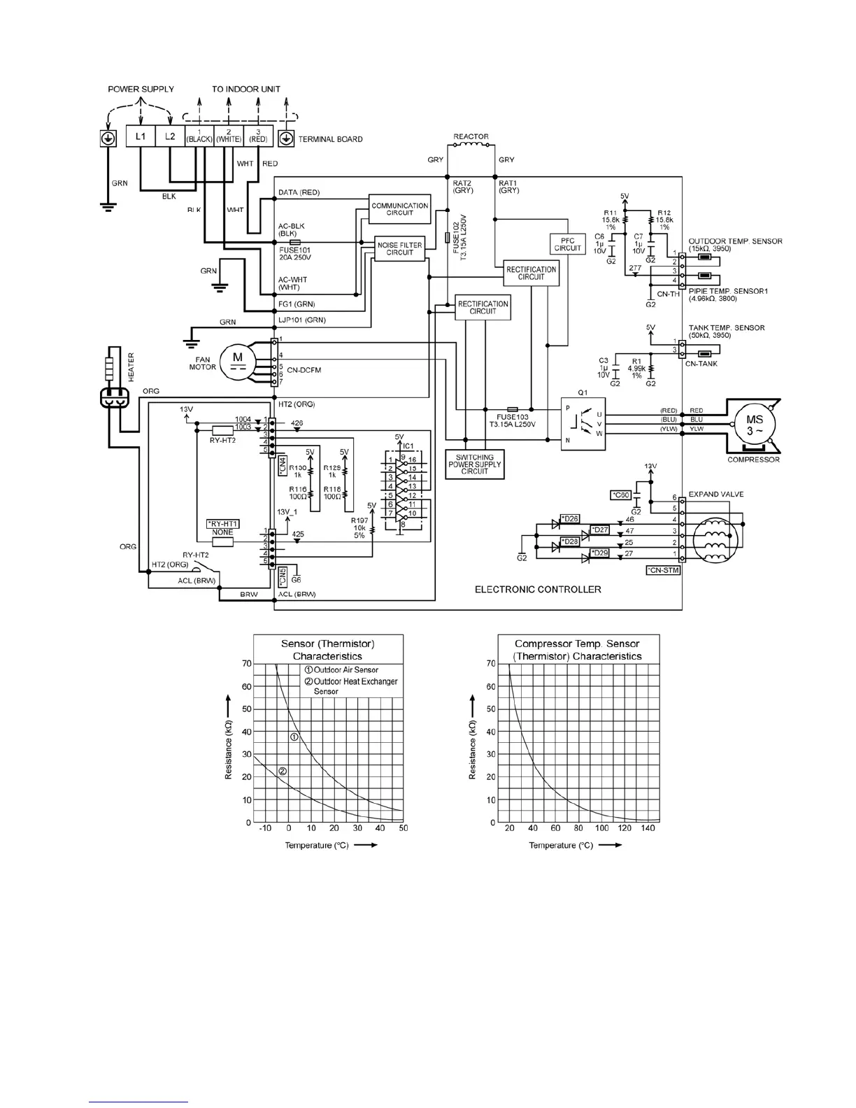
8.2 Outdoor Unit

Table of Contents

Other manuals for Panasonic CS-S12NKUA

Related product manuals