EasyManua.ls Logo

Panasonic CS-S18NKUA

Panasonic CS-S18NKUA
72 pages
To Next Page IconTo Next Page
To Next Page IconTo Next Page
To Previous Page IconTo Previous Page
To Previous Page IconTo Previous Page
Loading...
13
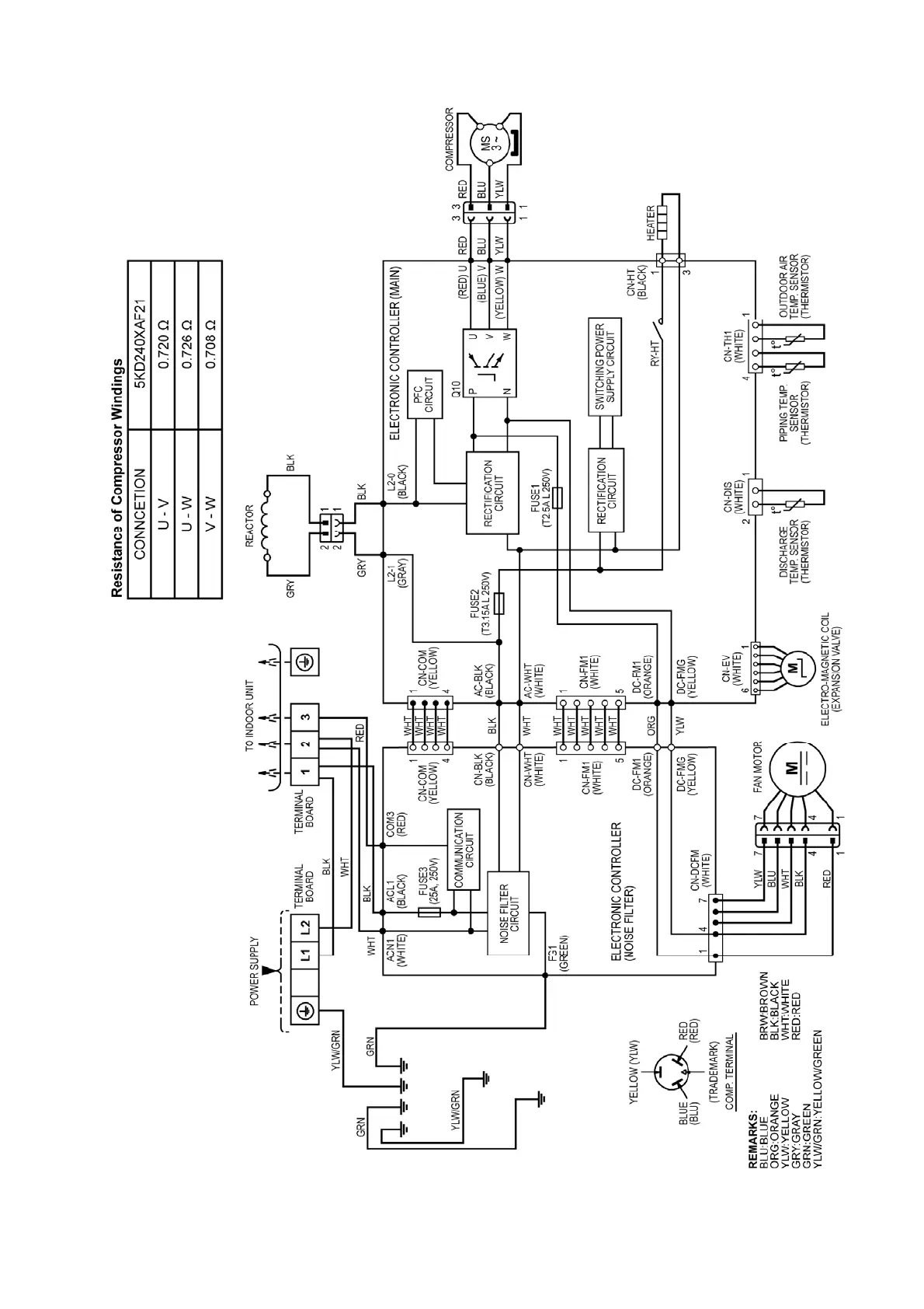
7.2 Outdoor Unit

Table of Contents

Other manuals for Panasonic CS-S18NKUA

Related product manuals