EasyManua.ls Logo

Panasonic CU-2E15CBPG - Outdoor Unit (Cu-2 E15 Cbpg;2 E18 Cbpg)

Panasonic CU-2E15CBPG
121 pages
Print Icon
To Next Page IconTo Next Page
To Next Page IconTo Next Page
To Previous Page IconTo Previous Page
To Previous Page IconTo Previous Page
Loading...
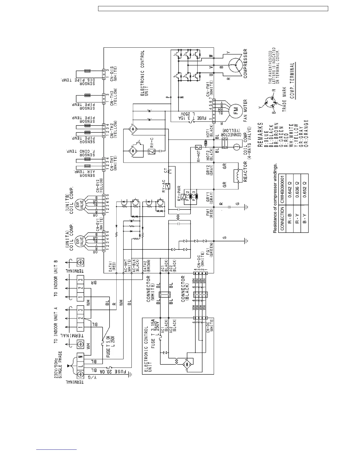
8.2. OUTDOOR UNIT (CU-2E15CBPG/2E18CBPG)
21
CS-ME7CKPG / CS-ME10CKPG / CS-ME12CKPG / CS-ME14CKPG / CS-ME18CKPG / CU-2E15CBPG / CU-2E18CBPG / CU-3E23CBPG / CU-4E27CBPG

Table of Contents

Other manuals for Panasonic CU-2E15CBPG

Related product manuals