EasyManua.ls Logo

Panasonic CU-2E15LBE - Cu-4 E23 Lbe

Panasonic CU-2E15LBE
103 pages
Print Icon
To Next Page IconTo Next Page
To Next Page IconTo Next Page
To Previous Page IconTo Previous Page
To Previous Page IconTo Previous Page
Loading...
23
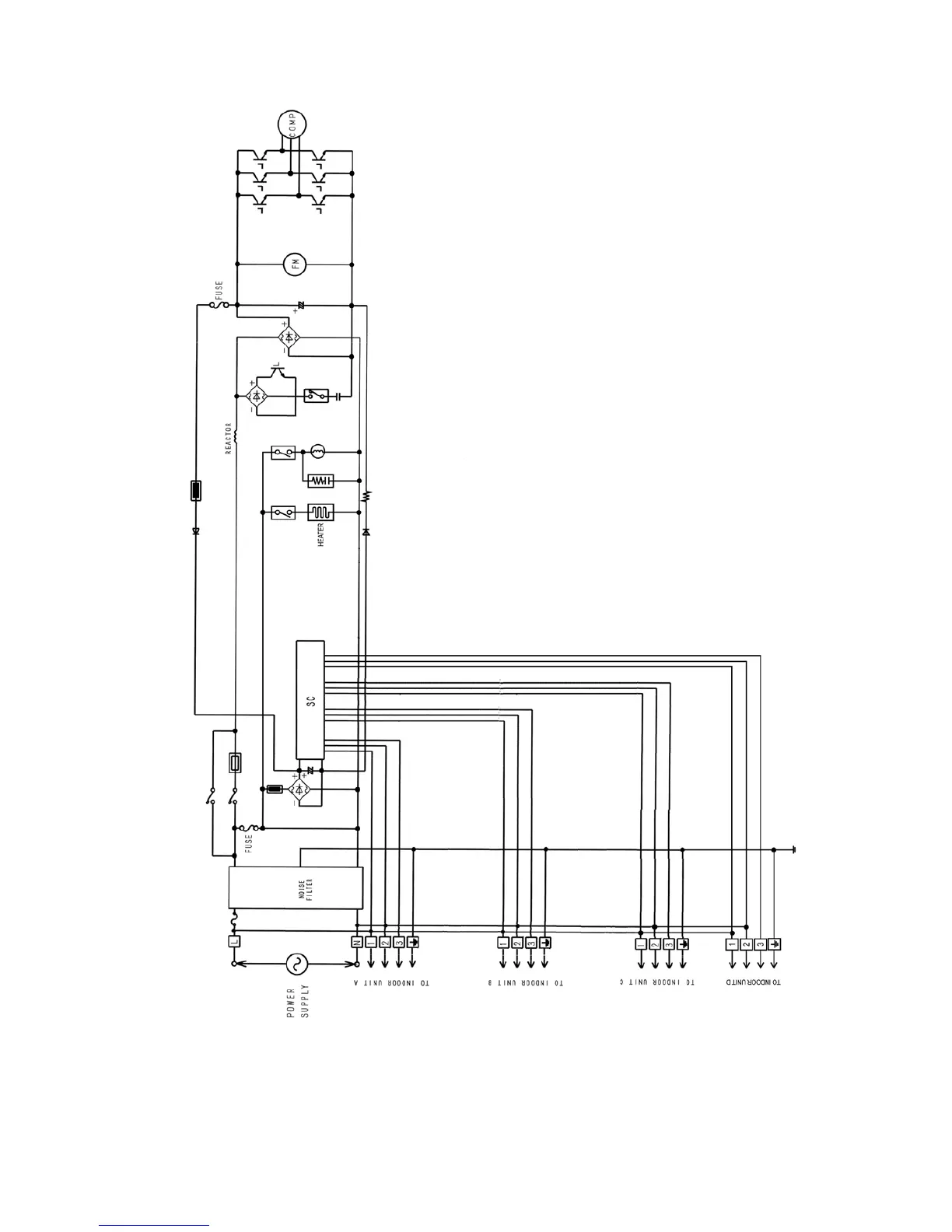
5.3. CU-4E23LBE

Table of Contents

Other manuals for Panasonic CU-2E15LBE

Related product manuals