EasyManua.ls Logo

Panasonic CU-3KS19NBU - Page 64

Panasonic CU-3KS19NBU
114 pages
Print Icon
To Next Page IconTo Next Page
To Next Page IconTo Next Page
To Previous Page IconTo Previous Page
To Previous Page IconTo Previous Page
Loading...
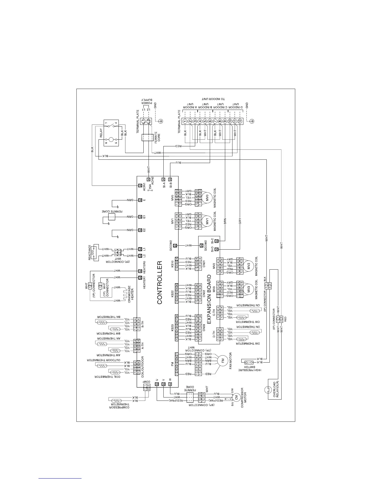
Outdoor Unit CU-4KS31NBU
8FA2-5251-11400-1
64

Table of Contents

Related product manuals