EasyManua.ls Logo

Panasonic CU-B34DBE8 - 6 Block Diagram; Cs-F24 Db4 E5 Cs-F28 Db4 E5 Cs-F34 Db4 E5 Cs-F43 Db4 E5 Cs-F50 Db4 E5; Cu-B24 Dbe5 Cu-B28 Dbe5; Cu-B34 Dbe5

Panasonic CU-B34DBE8
156 pages
Print Icon
To Next Page IconTo Next Page
To Next Page IconTo Next Page
To Previous Page IconTo Previous Page
To Previous Page IconTo Previous Page
Loading...
23
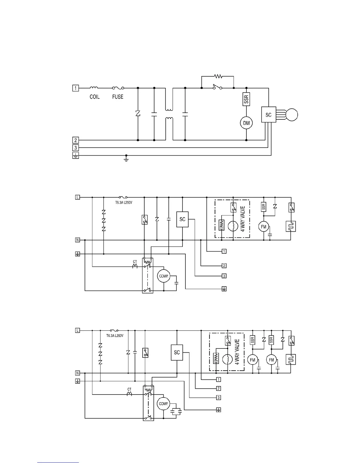
6 Block Diagram
6.1. CS-F24DB4E5 CS-F28DB4E5
CS-F34DB4E5 CS-F43DB4E5 CS-F50DB4E5
6.2. CU-B24DBE5 CU-B28DBE5
6.3. CU-B34DBE5

Table of Contents

Other manuals for Panasonic CU-B34DBE8

Related product manuals