EasyManua.ls Logo

Panasonic CU-C34BBP5 - Page 175

Panasonic CU-C34BBP5
324 pages
Print Icon
To Next Page IconTo Next Page
To Next Page IconTo Next Page
To Previous Page IconTo Previous Page
To Previous Page IconTo Previous Page
Loading...
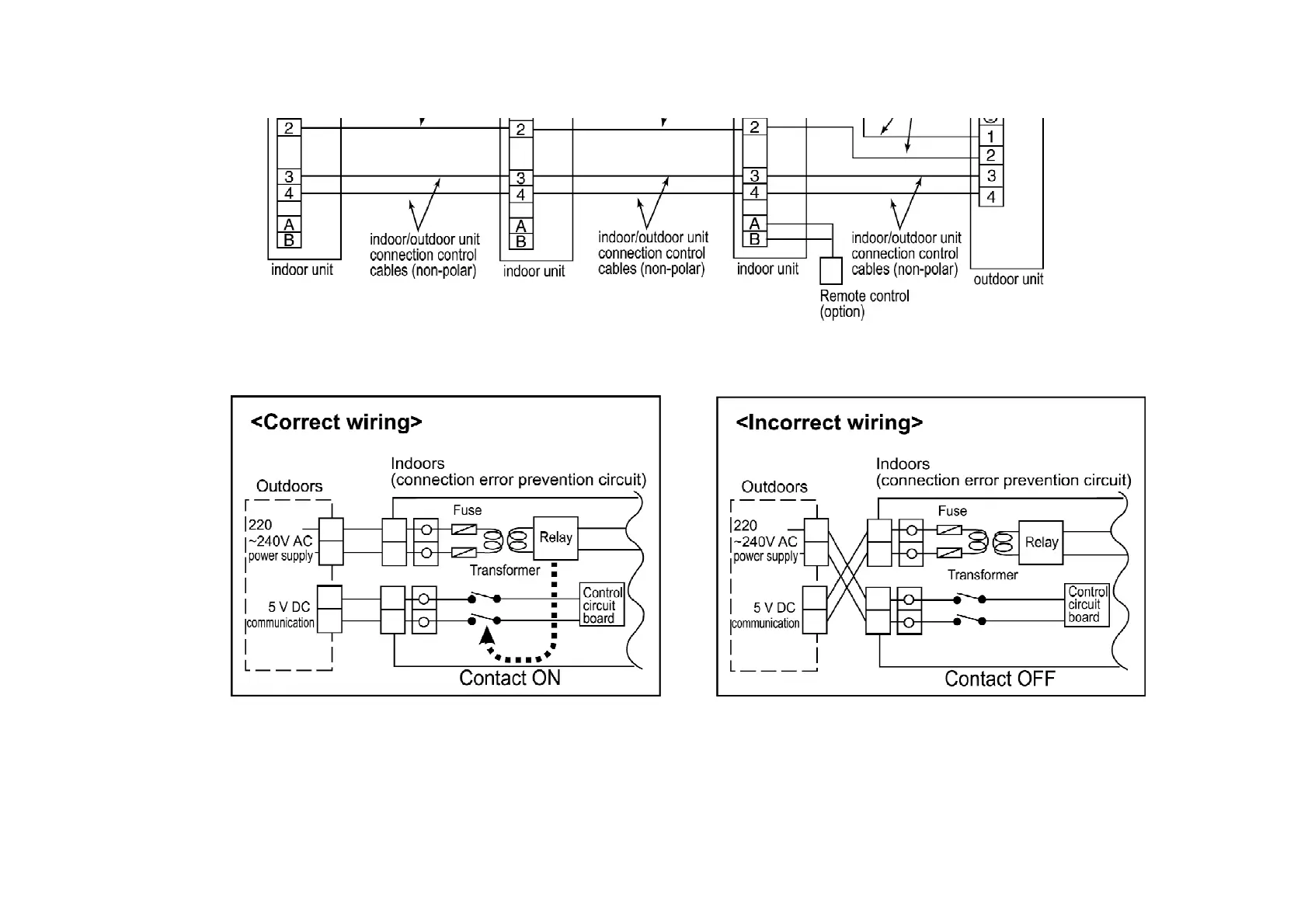
20. WIRING MISTAKE PREVENTION
Improved quality of installation work through adoption of an “Connection error prevention” circuit which prevents wiring mistakes
Connection errors with the control wires and the power supply wires will not only contribute to burning-out of the control circuit board, but
can also cause large-scale working losses and affect reliability. If a circuit board with a “Connection error prevention” circuit is used, the
relay will not operate if the wires have been connected incorrectly, so that current will not flow to the control circuit board. This is designed
principally to eliminate human error at the installation site.
Prevention of connection errors
175

Other manuals for Panasonic CU-C34BBP5

Related product manuals