EasyManua.ls Logo

Panasonic CU-C34BBP5 - Page 58

Panasonic CU-C34BBP5
324 pages
Print Icon
To Next Page IconTo Next Page
To Next Page IconTo Next Page
To Previous Page IconTo Previous Page
To Previous Page IconTo Previous Page
Loading...
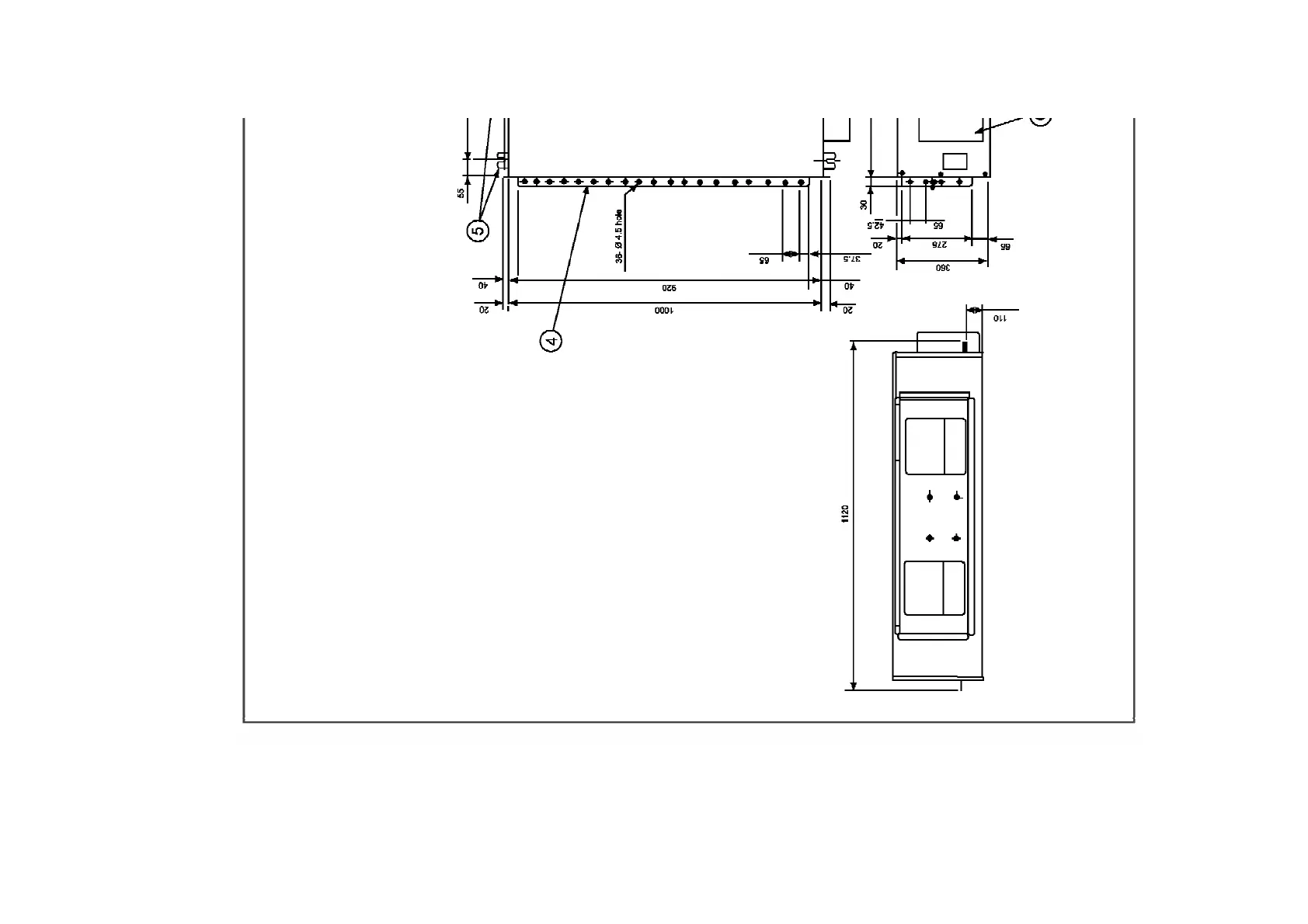
CU-A24BBP5, CU- C24BBP5
58

Other manuals for Panasonic CU-C34BBP5

Related product manuals