EasyManua.ls Logo

Panasonic CU-E12EKK - Block Diagram

Panasonic CU-E12EKK
49 pages
Print Icon
To Next Page IconTo Next Page
To Next Page IconTo Next Page
To Previous Page IconTo Previous Page
To Previous Page IconTo Previous Page
Loading...
12
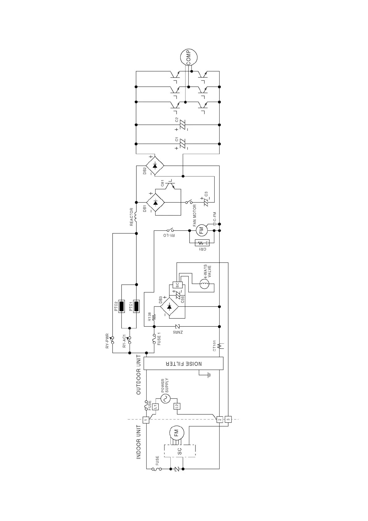
6 Block Diagram

Other manuals for Panasonic CU-E12EKK

Related product manuals