EasyManua.ls Logo

Panasonic CU-E12NKE - Outdoor Unit

Panasonic CU-E12NKE
189 pages
Print Icon
To Next Page IconTo Next Page
To Next Page IconTo Next Page
To Previous Page IconTo Previous Page
To Previous Page IconTo Previous Page
Loading...
49
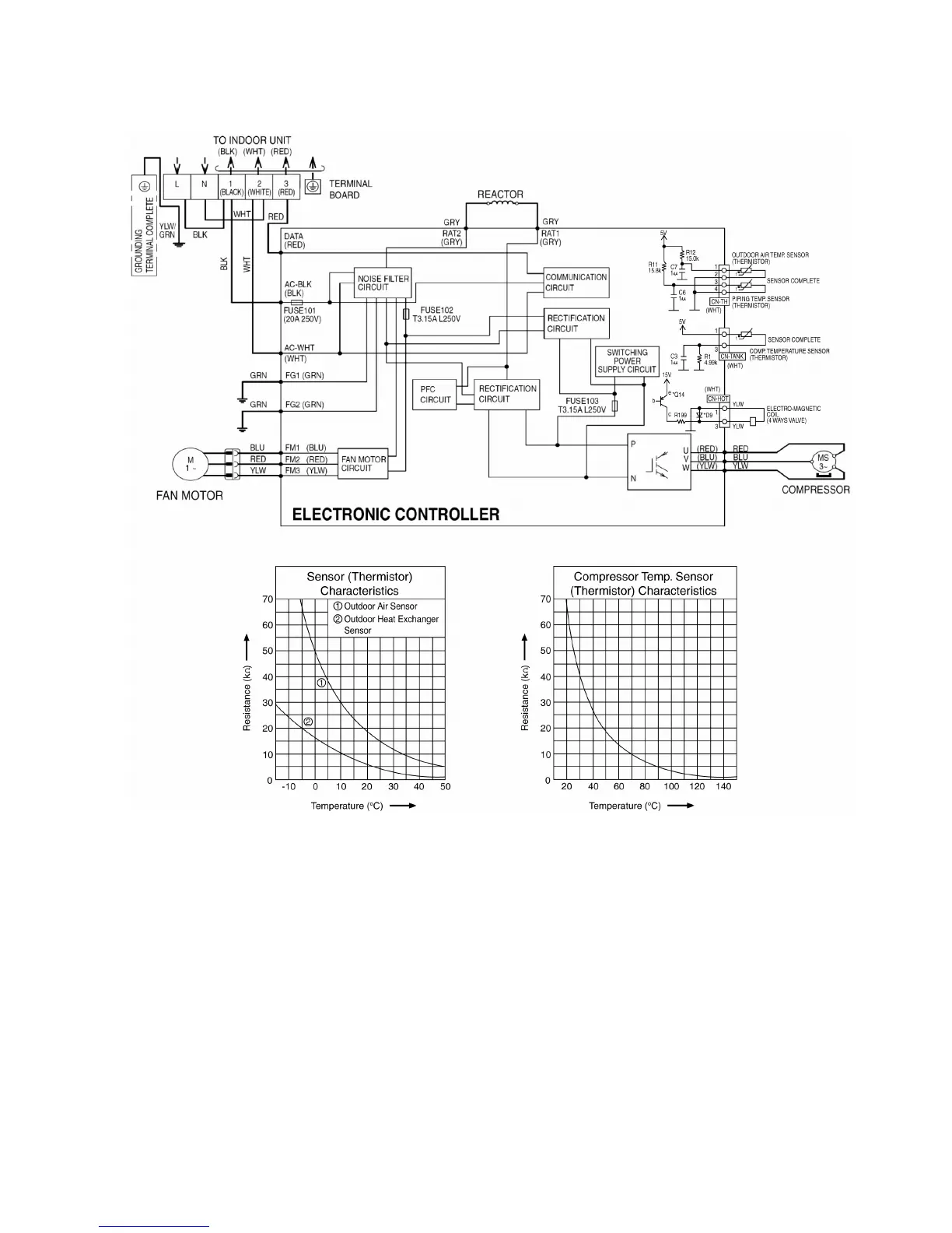
9.2 Outdoor Unit
9.2.1 CU-E7NKE CU-E9NKE

Table of Contents

Other manuals for Panasonic CU-E12NKE

Related product manuals