EasyManua.ls Logo

Panasonic CU-E24NKR - Page 54

Panasonic CU-E24NKR
205 pages
Print Icon
To Next Page IconTo Next Page
To Next Page IconTo Next Page
To Previous Page IconTo Previous Page
To Previous Page IconTo Previous Page
Loading...
54
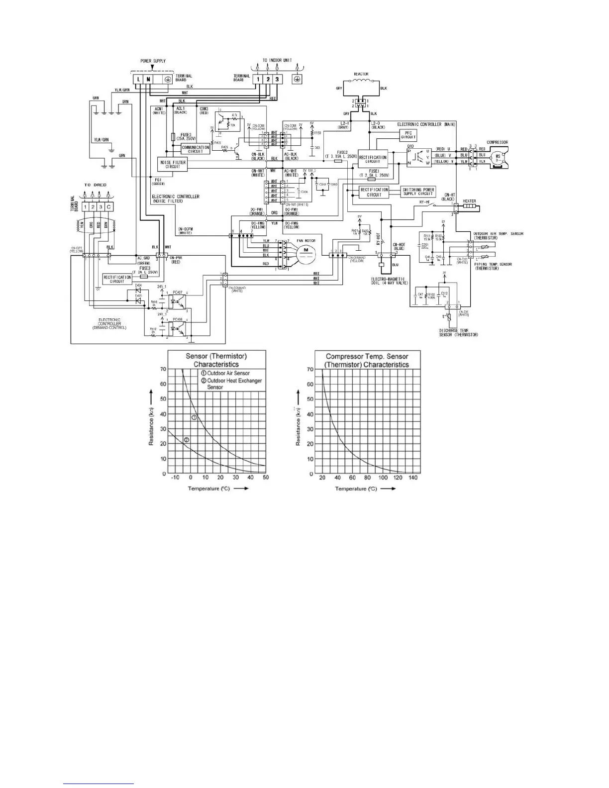
9.2.4 CU-E24NKR

Table of Contents

Other manuals for Panasonic CU-E24NKR

Related product manuals