EasyManua.ls Logo

Panasonic CU-G123KE - Wiring Diagram; CS-G123 KE; CU-G123 KE Wiring Diagram

Panasonic CU-G123KE
69 pages
Print Icon
To Next Page IconTo Next Page
To Next Page IconTo Next Page
To Previous Page IconTo Previous Page
To Previous Page IconTo Previous Page
Loading...
– 16 –
MAC9509078C2
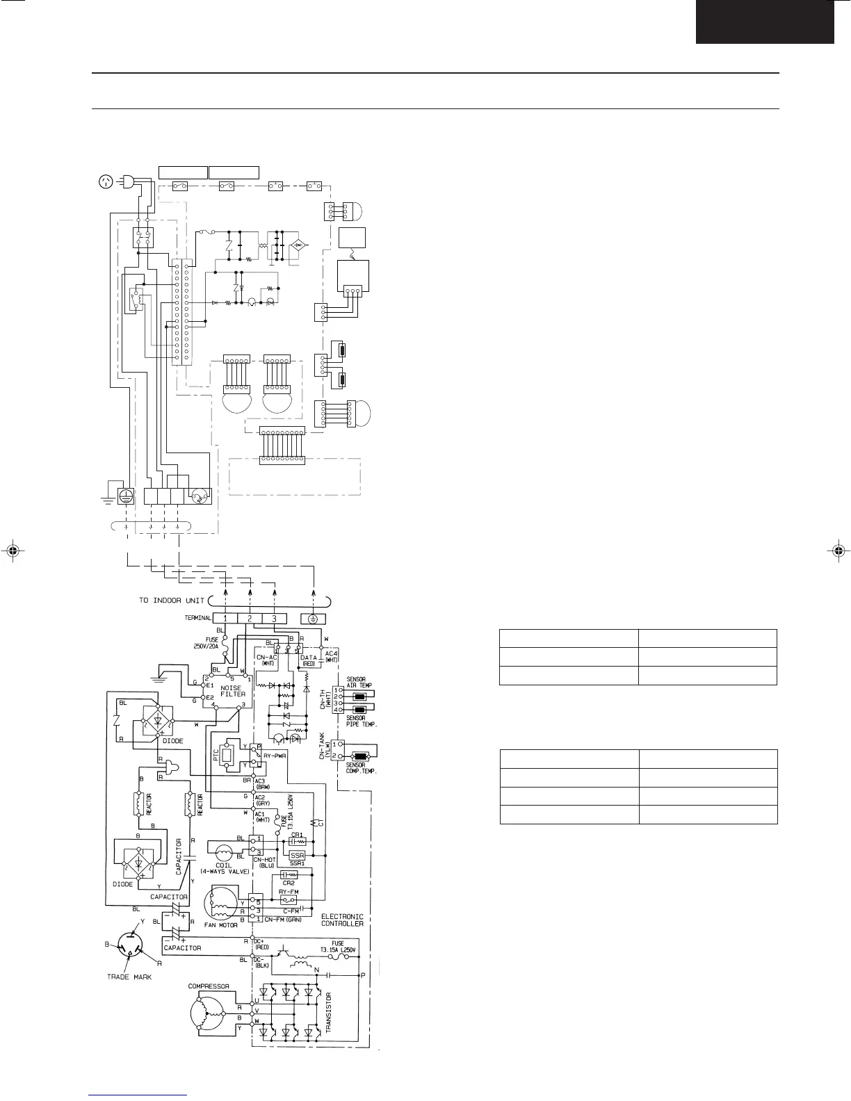
CS-G93KE
Wiring Diagram
CS-G123KE / CU-G123KE
Resistance of Outdoor Fan Motor Windings
CONNECTION
BLUE - YELLOW
YELLOW - RED
CWA95380 ()
234.1
263.5
2RD132X5BA03 ()
0.8
0.8
0.8
CONNECTION
U-V
U-W
V-W
54321 54321
5
16
16
1
1
1 51
123456789
987654321
54321
123
1
2
3
4
51
321
135
2
1
4
3
POWER SUPPLY CORD
BR
B
REMOTE CONTROLLER
NO. SW.
PUMP DOWN SW.
(TEST RUN)
AUTO SW.
WIRELESS
REMOTE
CONTROL
W
W
W
WWWWWWWWW
ELECTRONIC
CONTROLLER
(RECEIVER)
CN-RCV (W)
FUSE
T 3.15A L 250V
ZNR
CN-MTR1 (G)
R B Y
CN-RCV2 (W)
SENSOR
(PIPE TEMP.)
SENSOR
(AIR TEMP.)
MOTOR
(FLAP)
CN-STM3 (W)
CN-PWR1 (B)
CN-DISP2 (W)
MOTOR
(LEFT)
CN-STM2 (Y) CN-STM1 (B)
MOTOR
(RIGHT)
CN-DISP1 (W)
THERMAL FUSE
102
°
C (3A)
1 2 3
TERMINAL
COMPLETE
TO OUTDOOR UNIT
TERMINAL
Y/G
Y/G
REMARKS
B: BLUE BR: BROWN W: WHITE G: GREEN
P: PINK Y: YELLOW O: ORANGE
BL: BLACK R: RED Y/G: YELLOW/GREEN
DISPLAY, SELF-DIAGNOSIS
POWER MONITOR DISPLAY
CN-TH1 (W)
PY
O
RBR
PYORBR PYOR BR
MOTOR
MAIN SW.
RY-PWR
ELECTRONIC CONTROLLER
321
STANBY CONTROLLER
ON-OFF SW.
Resistance of Compressor Windings
Untitled-2 6/20/00, 4:33 PM16