EasyManua.ls Logo

Panasonic CU-J28DBE8 - Pre-Service Checks; Non-Serviceable Criteria

Panasonic CU-J28DBE8
12 pages
Print Icon
To Next Page IconTo Next Page
To Next Page IconTo Next Page
To Previous Page IconTo Previous Page
To Previous Page IconTo Previous Page
Loading...
11
4 Troubleshooting Guide
4.1. During twin operation
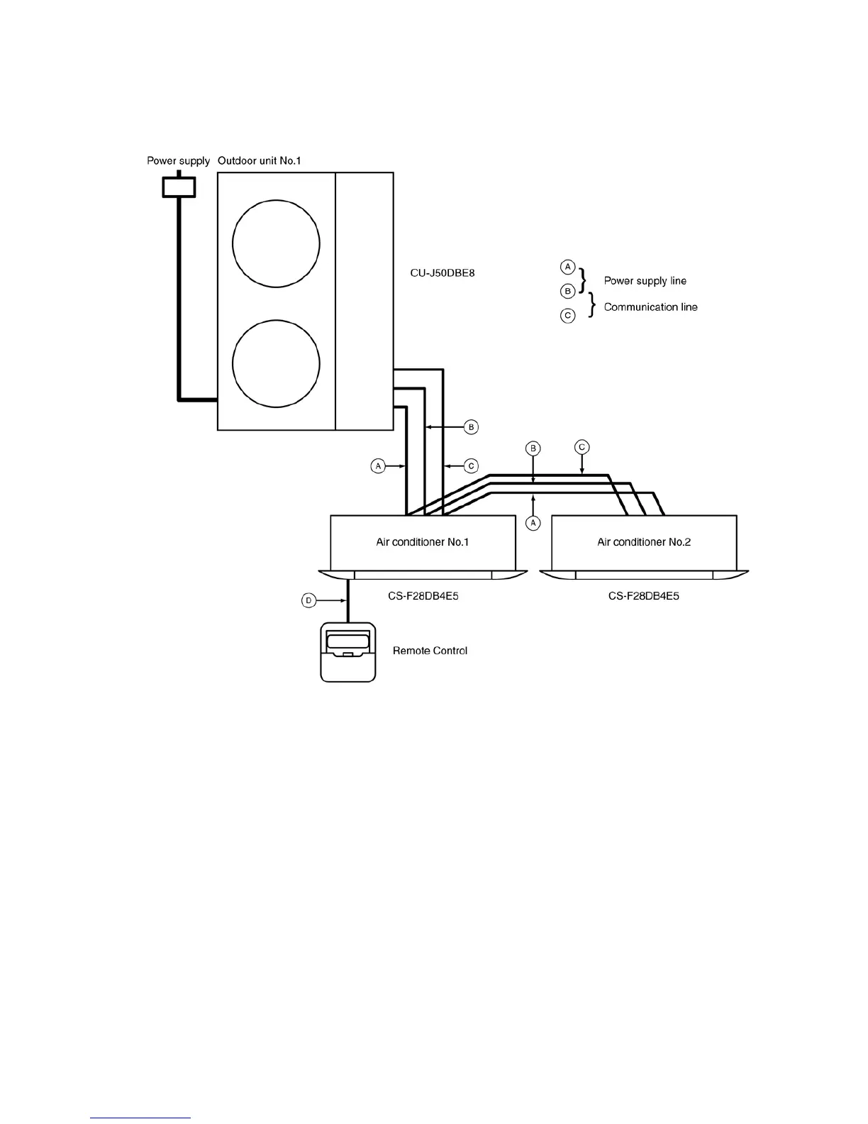
System example
1. The main power is turned on while the transmission wires between the indoor units are not connected.
(open circuit at A or B)
Symptom
Remote control unit: “check” flashes
Error code: F30-01 (connected indoor capacity error)
Indoor unit No. 1: LED1 on P.C.B flashes
Indoor unit No. 2: no power supply
Outdoor unit: LED6, 7 on P.C.B flashes (connected indoor capacity error)
2. The main power is turned on while the transmission wires between the indoor units are not connected.
(open circuit at section C)
Symptom
Remote control unit: “check” flashes
Error code: F30-01 (connected indoor capacity error)
Indoor unit No. 1: LED1 on P.C.B flashes
Indoor unit No. 2: no power supply
Outdoor unit: LED5, 6 on P.C.B flashes (connected indoor capacity error)
3. The main power is turned on and the connection wire is all ok.
If operation starts in this condition, combination of the B50DBE8 outdoor unit and F24DB4E5 indoor unit will result in
abnormal operation.
Symptom
Remote control unit: “check” flashes
Error code: F30-01 (connected indoor capacity error)

Other manuals for Panasonic CU-J28DBE8

Related product manuals