EasyManua.ls Logo

Panasonic CU-PC12QKH - Cs-Pc28 Qkh Cu-Pc28 Qkh

Panasonic CU-PC12QKH
115 pages
Print Icon
To Next Page IconTo Next Page
To Next Page IconTo Next Page
To Previous Page IconTo Previous Page
To Previous Page IconTo Previous Page
Loading...
28
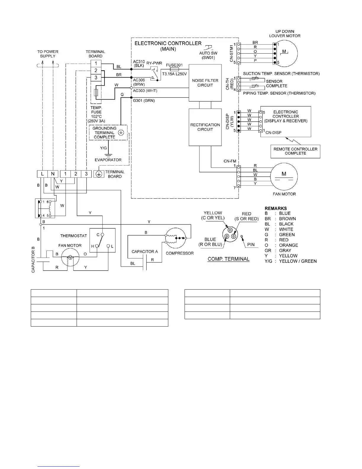
8.4 CS-PC28QKH CU-PC28QKH
Resistance of Outdoor Fan Motor Windings
Resistance of Compressor Windings
MODEL CU-PC28QKH MODEL CU-PC28QKH
CONNECTION CWA951697 CONNECTION 2JD514E3AA03
BLUE-YELLOW 70 C-R 1.022
YELLOW-RED 51 C-S 2.142
YELLOW-ORANGE 69 Note: Resistance at 20°C of ambient temperature.
Note: Resistance at 20°C of ambient temperature. .

Table of Contents

Other manuals for Panasonic CU-PC12QKH

Related product manuals