EasyManua.ls Logo

Panasonic CU-V28BBP8 - Page 70

Panasonic CU-V28BBP8
133 pages
Print Icon
To Next Page IconTo Next Page
To Next Page IconTo Next Page
To Previous Page IconTo Previous Page
To Previous Page IconTo Previous Page
Loading...
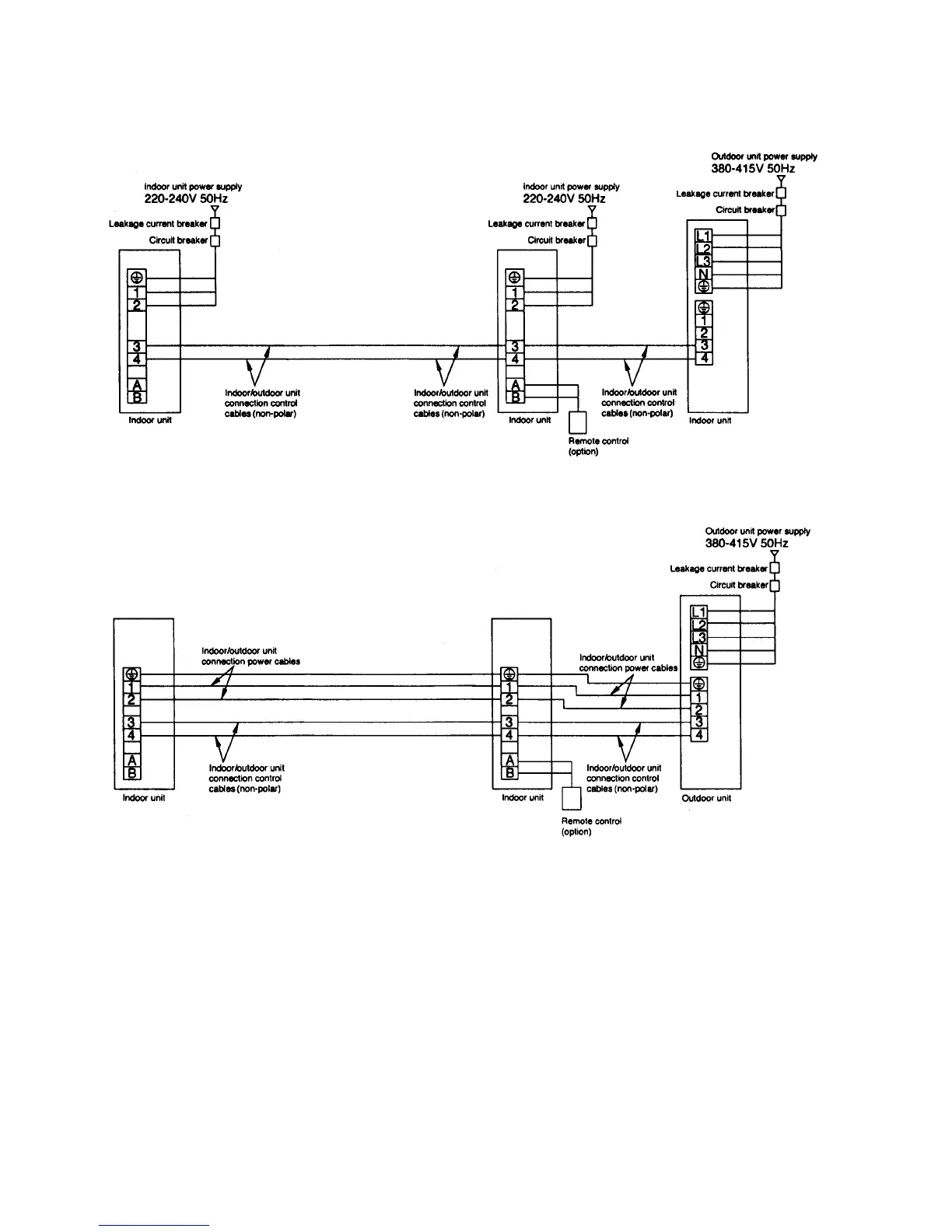
18.4. Wiring
When both indoor and outdoor unit draw power
(Example: 3 Phase power supply model)
When only the outdoor unit draws power
70

Other manuals for Panasonic CU-V28BBP8

Related product manuals