EasyManua.ls Logo

Panasonic CU-W7DKE - Page 19

Panasonic CU-W7DKE
92 pages
Print Icon
To Next Page IconTo Next Page
To Next Page IconTo Next Page
To Previous Page IconTo Previous Page
To Previous Page IconTo Previous Page
Loading...
19
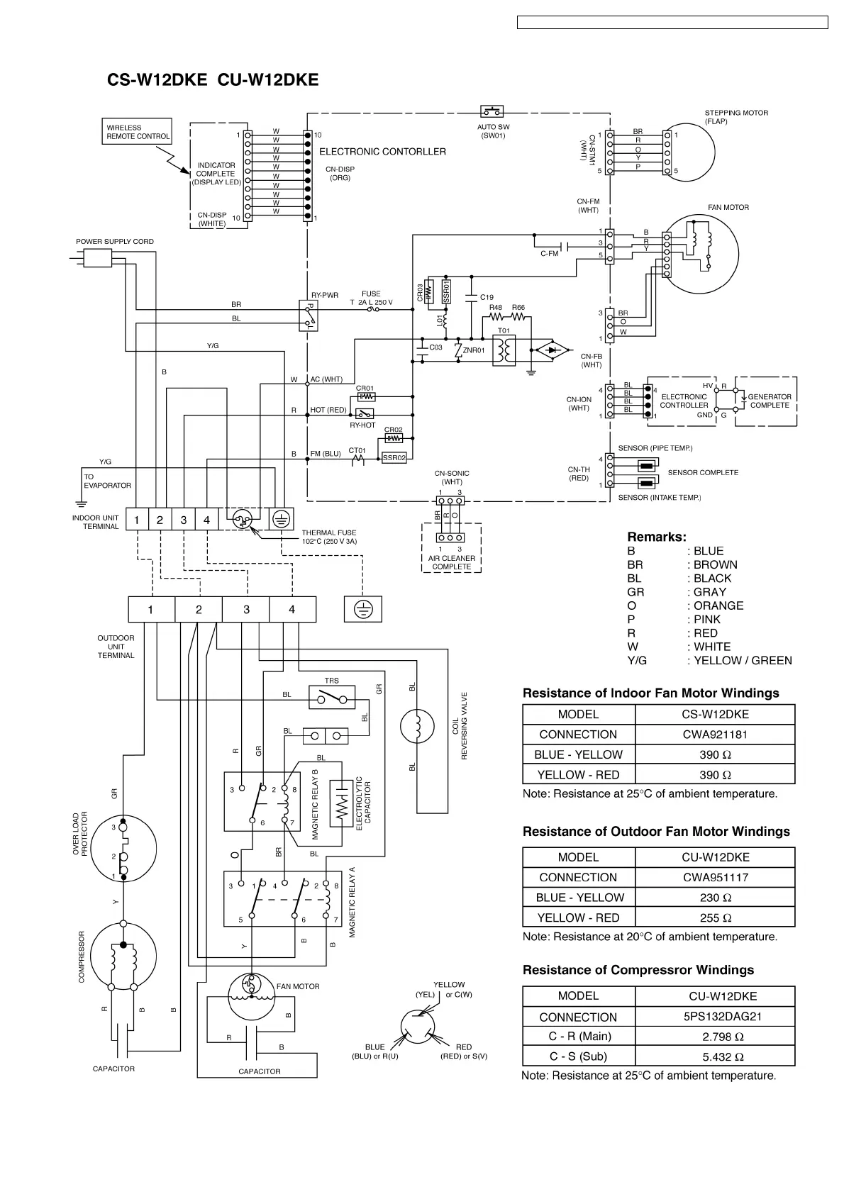
CS-W7DKE CU-W7DKE / CS-W9DKE CU-W9DKE / CS-W12DKE CU-W12DKE

Table of Contents

Related product manuals