EasyManua.ls Logo

Panasonic CU-W7DKE - 7 Wiring Diagram

Panasonic CU-W7DKE
92 pages
Print Icon
To Next Page IconTo Next Page
To Next Page IconTo Next Page
To Previous Page IconTo Previous Page
To Previous Page IconTo Previous Page
Loading...
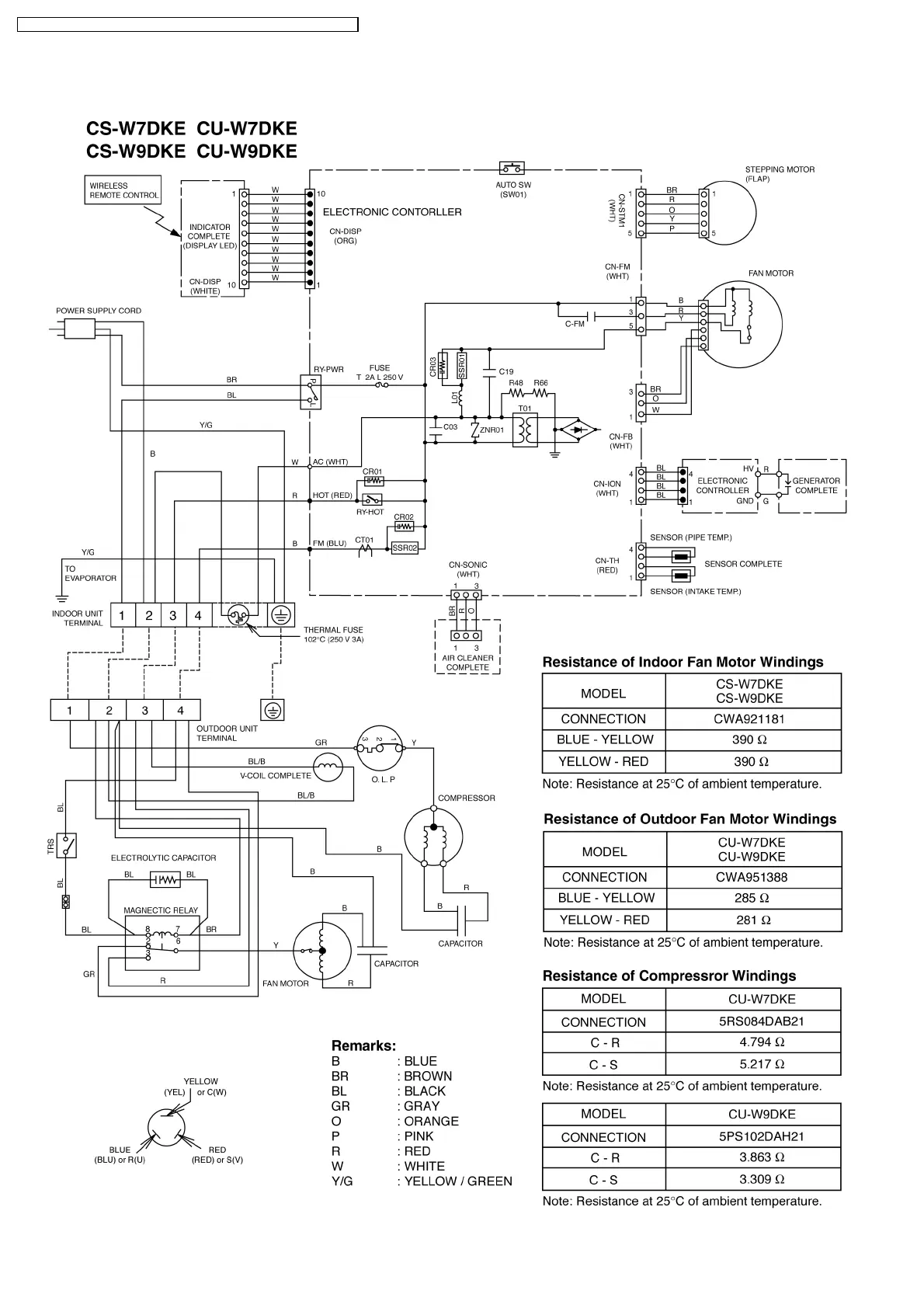
7 Wiring Diagram
18
CS-W7DKE CU-W7DKE / CS-W9DKE CU-W9DKE / CS-W12DKE CU-W12DKE

Table of Contents

Related product manuals