EasyManua.ls Logo

Panasonic DH-3VS1 - Page 24

Panasonic DH-3VS1
82 pages
Print Icon
To Next Page IconTo Next Page
To Next Page IconTo Next Page
To Previous Page IconTo Previous Page
To Previous Page IconTo Previous Page
Loading...
Việt Nam
VN5
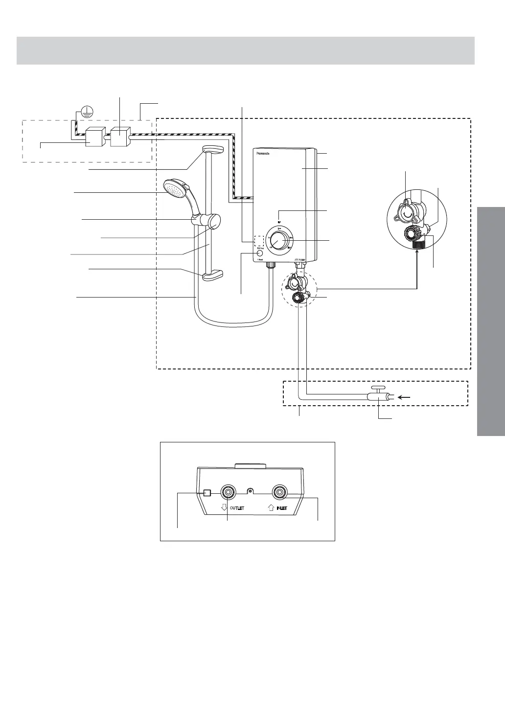
MÔ TẢC BỘ PHẬN
OFF
MA
OFF
MA
OFF
MA
OFF
MA
CLE
A
N
ING
FILTER
OFF
MA
OFF
MA
OFF
MA
OFF
MA
CL
EA
NING
FILTER
Công Tắc 2 cực ON/OFF
Đất
Bộ Ngắt Điện (Cỡ Nhỏ)
Nắp trên giá đỡ
Đầu Vòi Sen
Giá Đỡ Vòi Sen
Nút Khóa Vòi Sen
Thanh Trượt
Nắp dưới giá đỡ
Hệ thống Lọc
Các bộ phận
không kèm theo
Đường Nước
Vào
Van Nước Chính
Bộ Lọc Nước
Nút Chỉnh Lượng Nước
Lưng Máy
Mặt Máy
Các bộ phận
không kèm theo
Nhìn từ bên dưới
Núm Nguồn
Công Tắc Chống Giật (ELB) Lắp Sẵn
Núm vặn điều
chỉnh
Đèn Báo ELB
Cần Cài Lại ELB
Nút Kiểm
Tra ELB
Dây Vòi Sen
Chỗ Thoát Cửa Vào

Related product manuals