EasyManua.ls Logo

Panasonic DH-3VS1 - Page 6

Panasonic DH-3VS1
82 pages
Print Icon
To Next Page IconTo Next Page
To Next Page IconTo Next Page
To Previous Page IconTo Previous Page
To Previous Page IconTo Previous Page
Loading...
EN5
English
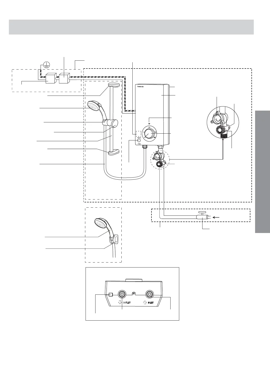
PARTS IDENTIFICATION
DH-3VS1 / DH-3VP1 / DH-4VS1 / DH-4VP1 / DH-6VS1 / DH-3VL1 / DH-4VL1
OFF
MA
OFF
MA
OFF
MA
OFF
MA
CLEA
N
ING
FILTER
OFF
MA
OFF
MA
OFF
MA
OFF
MA
CL
EA
NING
FILTER
ON/OFF DP (Double Pole) Switch
Earth
Miniature Circuit Breaker (MCB)
Upper Rail Holder
Shower Head
Shower Hanger
Shower Hanger Knob
Sliding Rail
Lower Rail Holder
Filter Body Assembly
Parts not included
Water Inlet
Main Water Valve
Filter Knob
Water Volume Knob
Back Plate
Front Plate
Parts not included
View from the bottom
Power Knob
Built in Electric Leakage Breaker (ELB)
Adjust Knob
ELB Lamp
ELB Reset Lever
Shower Head
Shower Hanger
ELB Test
Button
For model:
DH-3VS1 / DH-3VP1 /
DH-4VS1 / DH-4VP1 /
DH-6VS1
For model:
DH-3VL1 / DH-4VL1
Shower Hose
InletOutlet

Related product manuals