EasyManua.ls Logo

Panasonic DMR-ES15EB - Page 78

Panasonic DMR-ES15EB
154 pages
To Next Page IconTo Next Page
To Next Page IconTo Next Page
To Previous Page IconTo Previous Page
To Previous Page IconTo Previous Page
Loading...
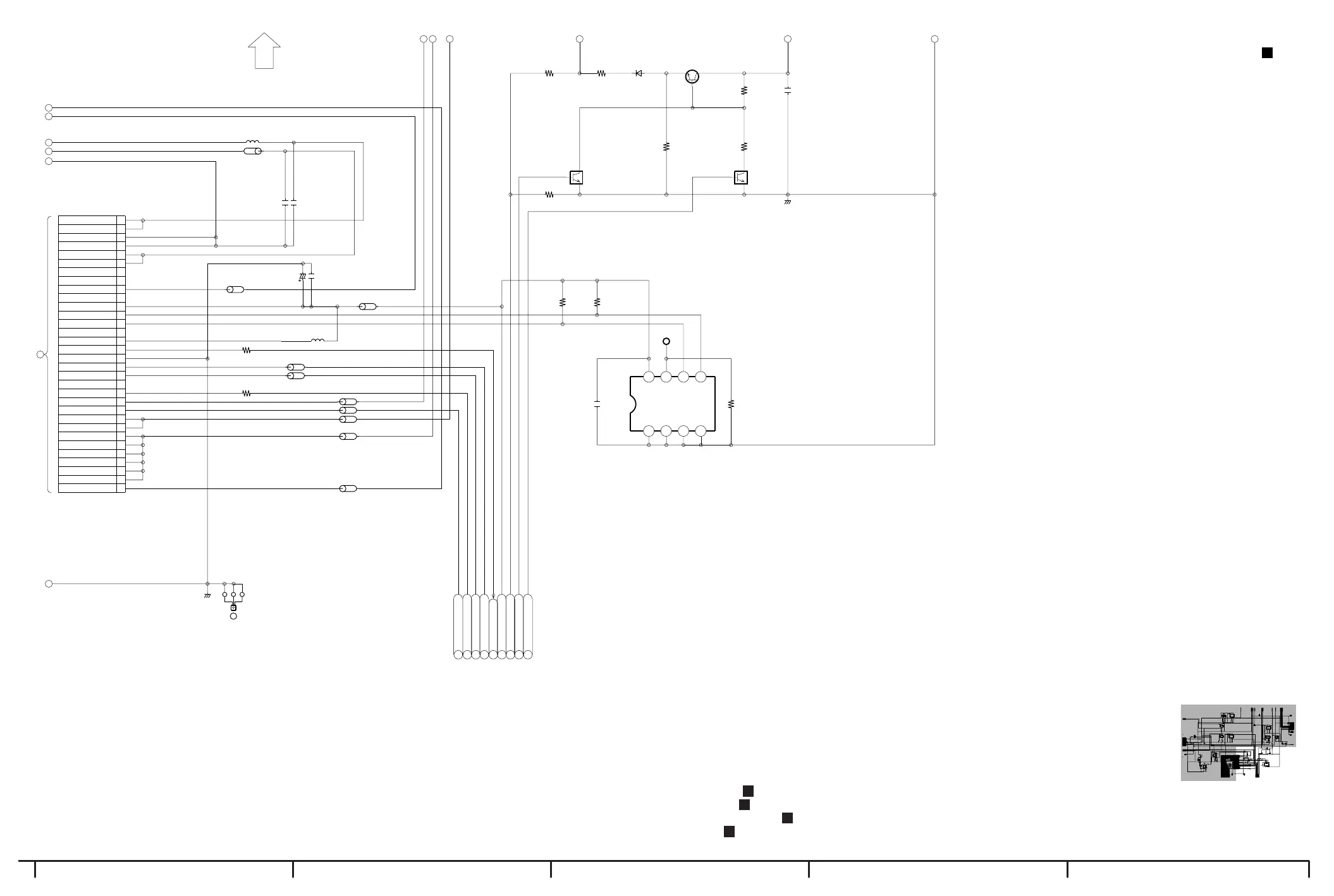
UNR521500L
QR7403
D7403
MA2C165001VT
ERDS2TJ471T
R7405
4700
R7412
C7417 0.1
4700
R7411
R7404 22K
AV2_PB_L
WIDE_H
LB7402 J0JKB0000012
LB7403 J0JKB0000012
LB7411 J0JCC0000164
LB7412 J0JCC0000164
LB7420 J0JCC0000164
J0JKB0000012LB7409
LB7405 J0JKB0000012
R7409 100
R7410 820
AV2_8
G_IEC_OUT_A
G_UARTM2P_A
EPG_ON_H
G_CSYNC_IN_A
G_UARTP2M_A
D3R3V
3 21
ZJ7405
K9ZZ00001279
LB7407
J0JKB0000012
L7402
G0A220GA0026
C7415
F1K1C105A026
C7414
F1H1A105A028
C7418
F2A0J221A458
LB7408
J0JCC0000164
C7419
1u
L7401
G0A220GA0026
LB7404 J0JKB0000012
TO P59001
DIGITAL P.C.B.
(MODEL SELECT SECTION)
K1KY64A00001
R7403 15K
TL7401
R7406
470K
C7407
0.1
R7408
15K
R7407
10K
Q7401
2SD1819AWL
R7414
4700
67 5
2 43
8
1
IC7404
C3EBFC000053
UNR521500L
QR7404
(MA165TA5VT)
T
T
T
T
T
T
T
T
AV
NC
VCC
NC SCL
SDAVSS
/VENC
X_SW_12V 56
12DR5V
4
6
DR12V
DRGND
2DR12V
DR5V
DRGND
10
8
D3R3V
24I2C5DT
22
DGND
IT_CK
IECOUT
I2C5CK
X_SW3R8V48
X_SW_12V
X_SW_12V
X_SW3R8V
52
54
50
UARTM2P
40
38
P_OFF_L3
28
32
30
26
UARTP2M 36
34
X_SW3R2V/D3R3V
ANA3R3V
46EPG_ON_H/BUSY
42
44
CSYNC_IN
ITM2A 14
XFWE
ITA2M
18
20
P_OFF_L
16
64ANA5V
62X_SW_12V
60X_SW_12V
58X_SW_12V
1
2
3
4
5
7
6
H I J K L M
109876
A
TO
MAIN NET SECTION
(2/4)
NOTE:DO NOT USE THE PART NUMBER SHOWN ON THIS DRAWING FOR ORDERRING.
THE CORRECT PART NUMBER IS SHOWN IN THE PARTS LIST,AND MAY BE
SLIGHTLYDIFFERNT OR AMENDED SINCE THIS DRAWING WAS PREPARED.
(4/4) LOCATION MAP
M:Main Net Section:(Page: )
A
AV:A/V I/O Section:(Page: )
B
DE:Nicam Decoder Section:(Page: )
C
T:Timer Section:(Page: )
D
DMR-ES15EB/EP/EC/EG/EBL
Main Net(4/4) Section
(Main P.C.B.(1/4))
Schematic Diagram(M)

Other manuals for Panasonic DMR-ES15EB

Related product manuals