EasyManua.ls Logo

Panasonic EP3203-U1 - Page 32

Panasonic EP3203-U1
114 pages
Print Icon
To Next Page IconTo Next Page
To Next Page IconTo Next Page
To Previous Page IconTo Previous Page
To Previous Page IconTo Previous Page
Loading...
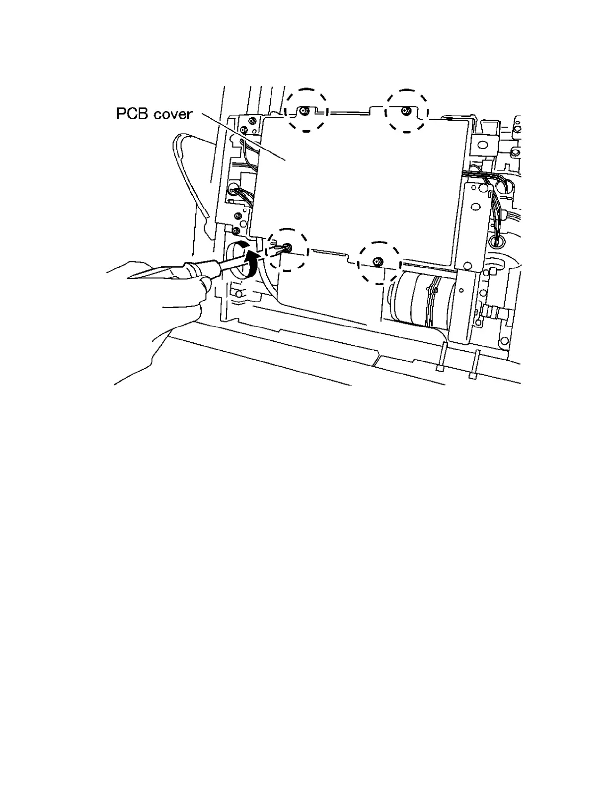
3. Unscrew a screw fixing the ground wire and disconnect two connectors.
32

Related product manuals