EasyManua.ls Logo

Panasonic LCD-201803 - Page 37

Panasonic LCD-201803
61 pages
Print Icon
To Next Page IconTo Next Page
To Next Page IconTo Next Page
To Previous Page IconTo Previous Page
To Previous Page IconTo Previous Page
Loading...
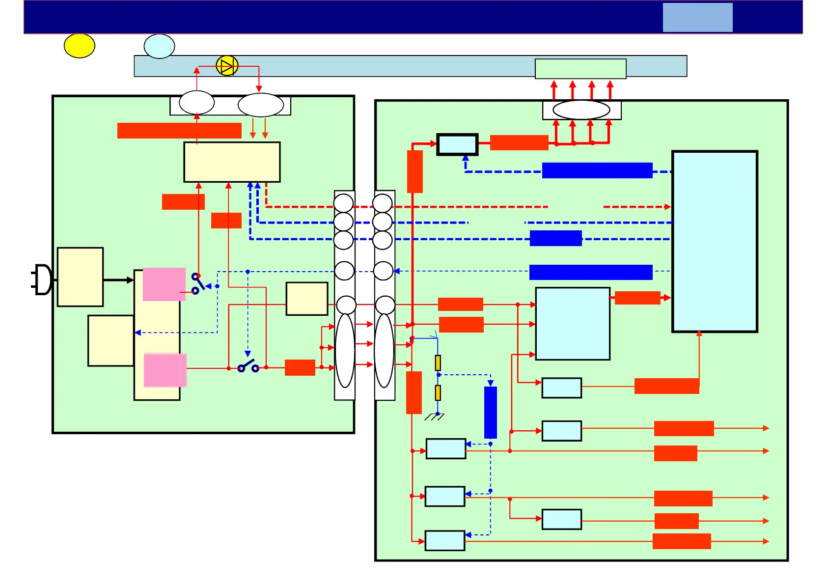
P
A
P2
A02
Q7403/05
9
5V
IC8102
3.3V
3.3V
1.8V
IC5704
1.0V
F15V
Q7402
/04
IC8103
HDMI3.3V
SUB1.0V
SUB3.3V
TU1.8V
64V(*)
LCD_TV_SUB_ON
16V
Output
Transformer
T7301
3, 7
DCDCEN
Panel_VCC_ON
A16
44 - 51
BL_ON
LCD Module
PNL12V
F15V
SUB5V
T-CON
PFC
T7202
IC7201
DC/DC
IC7301
Back Light
F15V
IC5000
ANALOG
ASIC
IC8000
SoC
16V
DC/DC
IC7405
STB5V
BL_SOS
IC5260
STB3.3V
37
(*)The DC level is different by the LCD panel.
1, 5
P3
PWM
IC5420
IC8001
IC5400
7
15
IC7800
DCDC LED
Drive
< and : A board (PNL voltage) >
4
5
Start up Operation-10
14
13
64V(*)
Output
16V
( TNPA6376** )
12V
1
2
3
4
VLED1/2(*)110-140V
STB1.05V
1.05V
9
7
15
14
13
1
2
3
4
<A+P>

Related product manuals