EasyManua.ls Logo

Panasonic LCD-201803 - Page 46

Panasonic LCD-201803
61 pages
Print Icon
To Next Page IconTo Next Page
To Next Page IconTo Next Page
To Previous Page IconTo Previous Page
To Previous Page IconTo Previous Page
Loading...
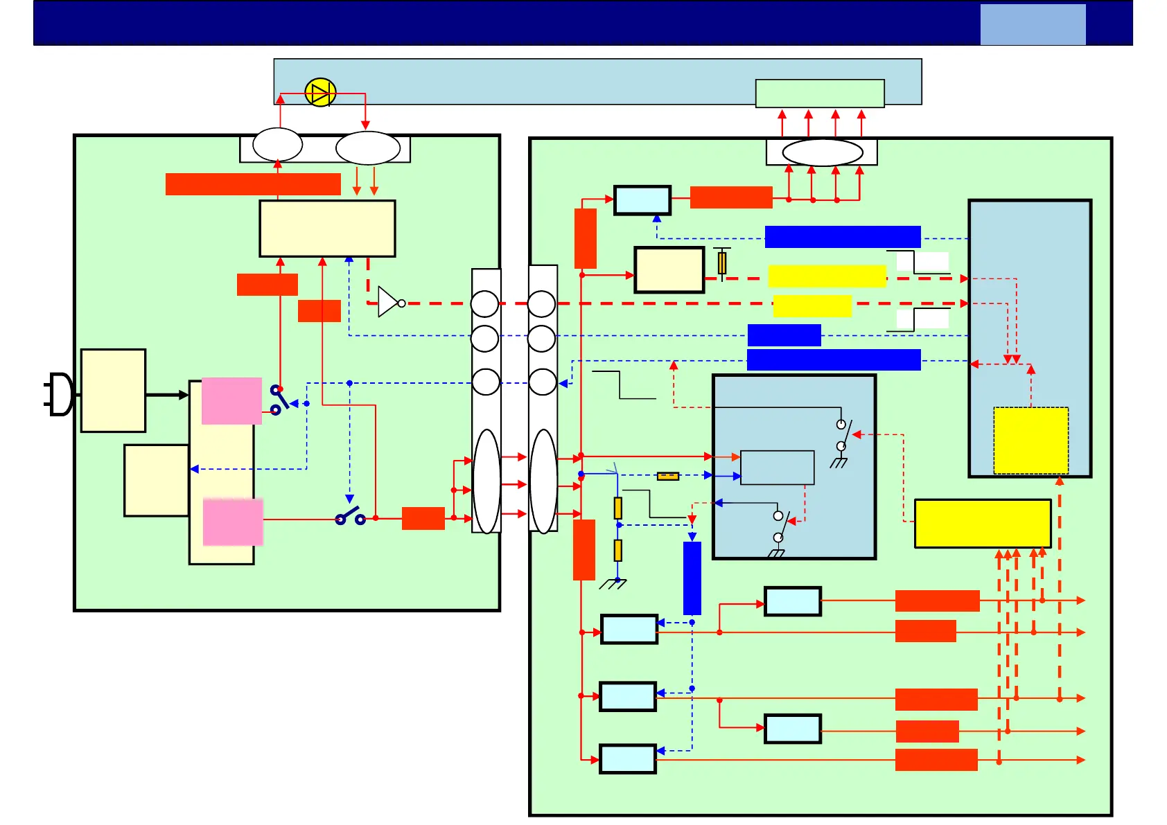
P
A
A02
IC5000
IC8000
5V
IC8103
3.3V
3.3V
1.8V
IC5704
1.0V
F15V
HDMI3.3V
SUB1.0V
SUB3.3V
TU1.8V
DCDCEN
Panel_VCC_ON
A16
LCD Module
PNL12V
Low
voltage
detect
IC3800
AMP
Over voltage
protection
F15V
SOUND_SOS
SUB5V
T-CON
(OFF)
(OFF)
ON OFF
9 Blink
1 Blink
7 Blink
detect
(OFF)
N OFF
Back Light
46
(*)The DC level is different by the LCD panel.
IC5260
IC5420
IC8001
IC5400
12V
P2
Q7403/05
16V
Output
Transformer
T7301
3, 7
PFC
T7202
IC7201
DC/DC
IC7301
16V
1, 5
P3
16V
( TNPA6376** )
BL_SOS
BL_ON
9
14
LCD_TV_SUB_ON
15
Tr
Ex. 55FX600* series
44 - 51
VLED1/2(*)110-140V
64V(*)
Q7402
/04
64V(*)
Output
1
2
3
4
9
14
15
1
2
3
4
IC7800
LED
DC/DC Drive
<Protection Circuit>
Protection Circuit of A+P type
<A+P>
N SOS
N SOS

Related product manuals