EasyManua.ls Logo

Panasonic LCD-201803 - Page 49

Panasonic LCD-201803
61 pages
Print Icon
To Next Page IconTo Next Page
To Next Page IconTo Next Page
To Previous Page IconTo Previous Page
To Previous Page IconTo Previous Page
Loading...
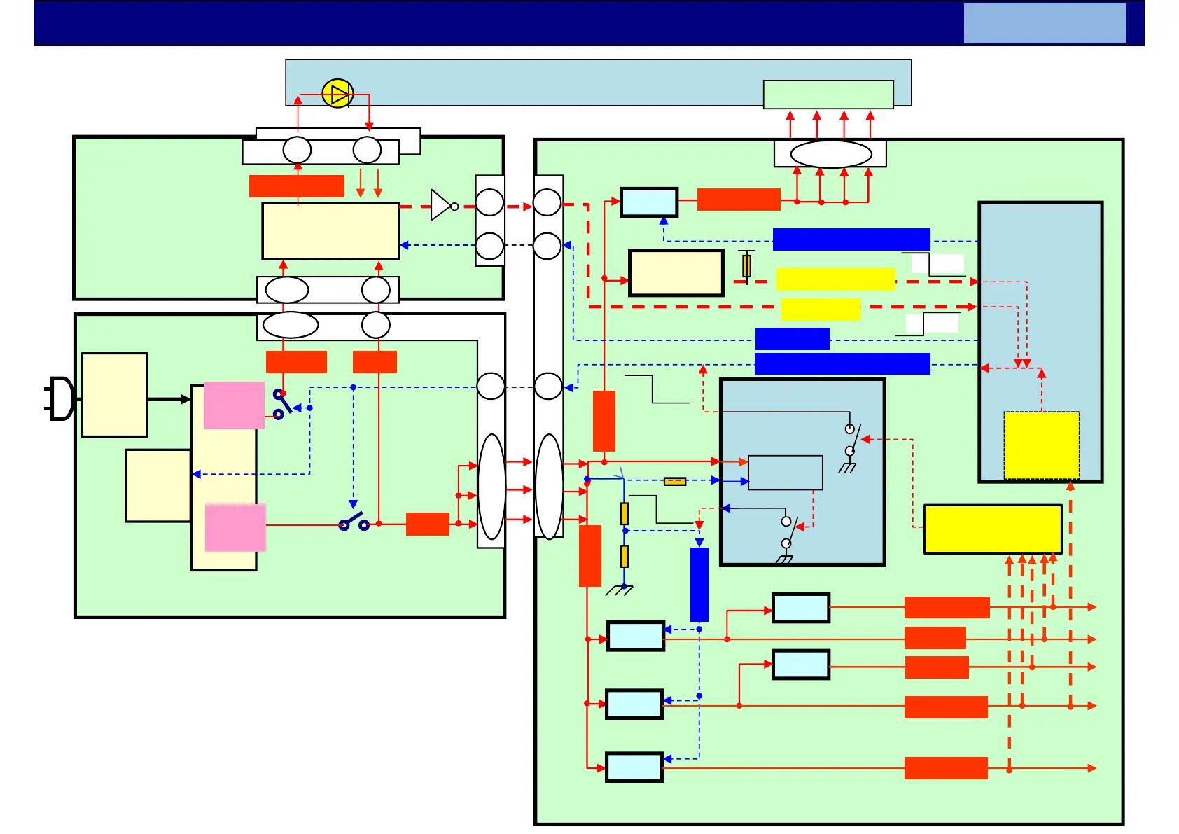
Protection Circuit of A+P+LDP type
LDP
P
A
A02
IC5000
IC8000
5V
IC8103
3.3V
3.3V
1.8V
IC5704
1.0V
F15V
HDMI3.3V
SUB1.0V
SUB3.3V
TU1.8V
DCDCEN
Panel_VCC_ON
A16
LCD Module
PNL12V
Low
voltage
detect
Over voltage
protection
F15V
SOUND_SOS
SUB5V
T-CON
(OFF)
(OFF)
ON OFF
9 Blink
1 Blink
7 Blink
detect
(OFF)
N OFF
Back Light
(*)The DC level is different by the LCD panel.
IC5260
IC5230
IC4506
IC5200
12V
P2
Q7403/05
16V
Output
Transformer
T7301
PFC
T7202
IC7201
DC/DC
IC7301
16V
IC7800
LED
DC/DC Drive
( Ex. TNPA6374** )
9
LCD_TV_SUB_ON
Ex. 65FX600* series
44 - 51
VLED1/2(*)
64V(*)
Q7402
/04
64V(*)
Output
1
2
3
4
9
14
15
1
2
3
4
LDP3
(Ex. TNPA6375**)
LDP5/LDP6
1 3
BL_ON
3
BL_SOS
Tr
4
16V
13
15,6
19,20
LDP2
<Protection Circuit>
<A+P+LDP>
N SOS
N SOS
49
IC3400
DSP/AMP

Related product manuals