EasyManua.ls Logo

Panasonic NA-F75G6 - Wiring Connection Diagram; Wiring Diagram; PCB Input;Output Voltage Check

Panasonic NA-F75G6
32 pages
To Next Page IconTo Next Page
To Next Page IconTo Next Page
To Previous Page IconTo Previous Page
To Previous Page IconTo Previous Page
Loading...
NA-F62G5 / F65G5 / F70G5 / F75G5 / F75S6 / F70S6
21
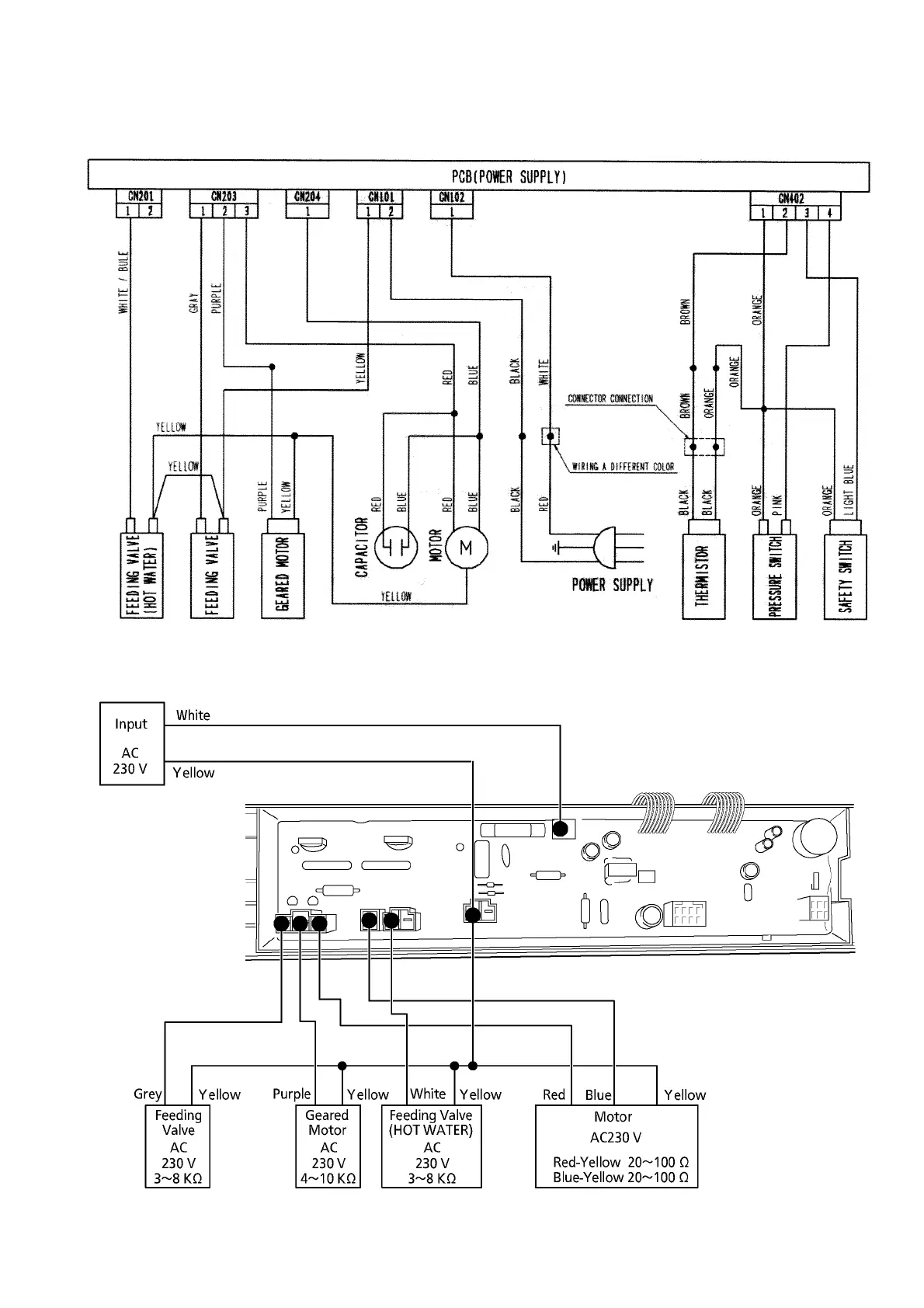
9 Wiring Connection Diagram
9.1. Wiring Connection Diagram
9.2. Check Input and Output voltage of the P.C. Boad

Related product manuals