EasyManua.ls Logo

Panasonic NINO CQ-DT6930ZE

Panasonic NINO CQ-DT6930ZE
23 pages
To Next Page IconTo Next Page
To Next Page IconTo Next Page
To Previous Page IconTo Previous Page
To Previous Page IconTo Previous Page
Loading...
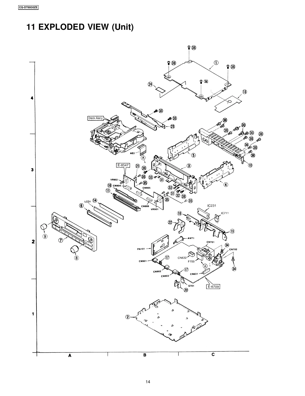
11 EXPLODED VIEW (Unit)
14
CQ-DT6930ZE
All manuals and user guides at all-guides.com

Related product manuals