EasyManua.ls Logo

Panasonic NN-J993 - Schematic Diagram

Panasonic NN-J993
46 pages
Print Icon
To Next Page IconTo Next Page
To Next Page IconTo Next Page
To Previous Page IconTo Previous Page
To Previous Page IconTo Previous Page
Loading...
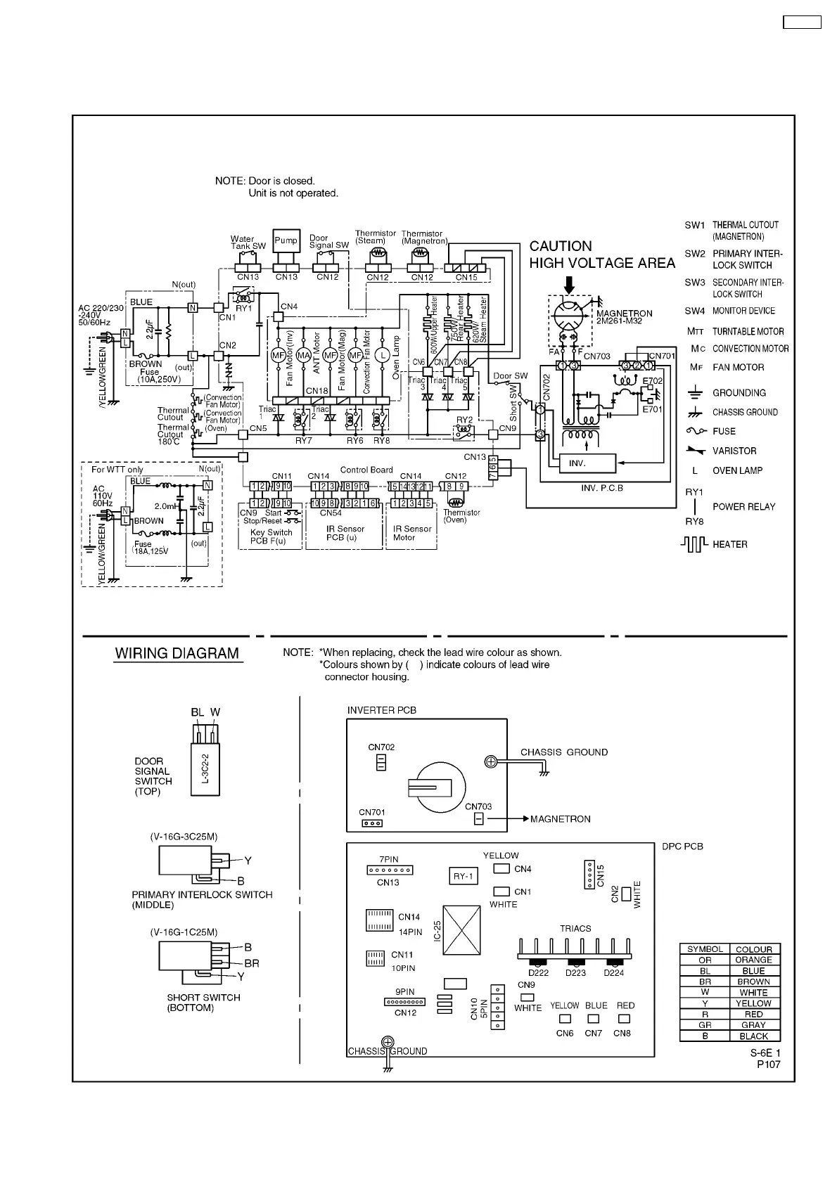
4 SCHEMATIC DIAGRAM
11
NN-J993

Related product manuals