EasyManua.ls Logo

Panasonic NN-SA247SR - Nn-Sd277 Sr;Br;Wr Cph, S255 Wfr Cph

Panasonic NN-SA247SR
40 pages
Print Icon
To Next Page IconTo Next Page
To Next Page IconTo Next Page
To Previous Page IconTo Previous Page
To Previous Page IconTo Previous Page
Loading...
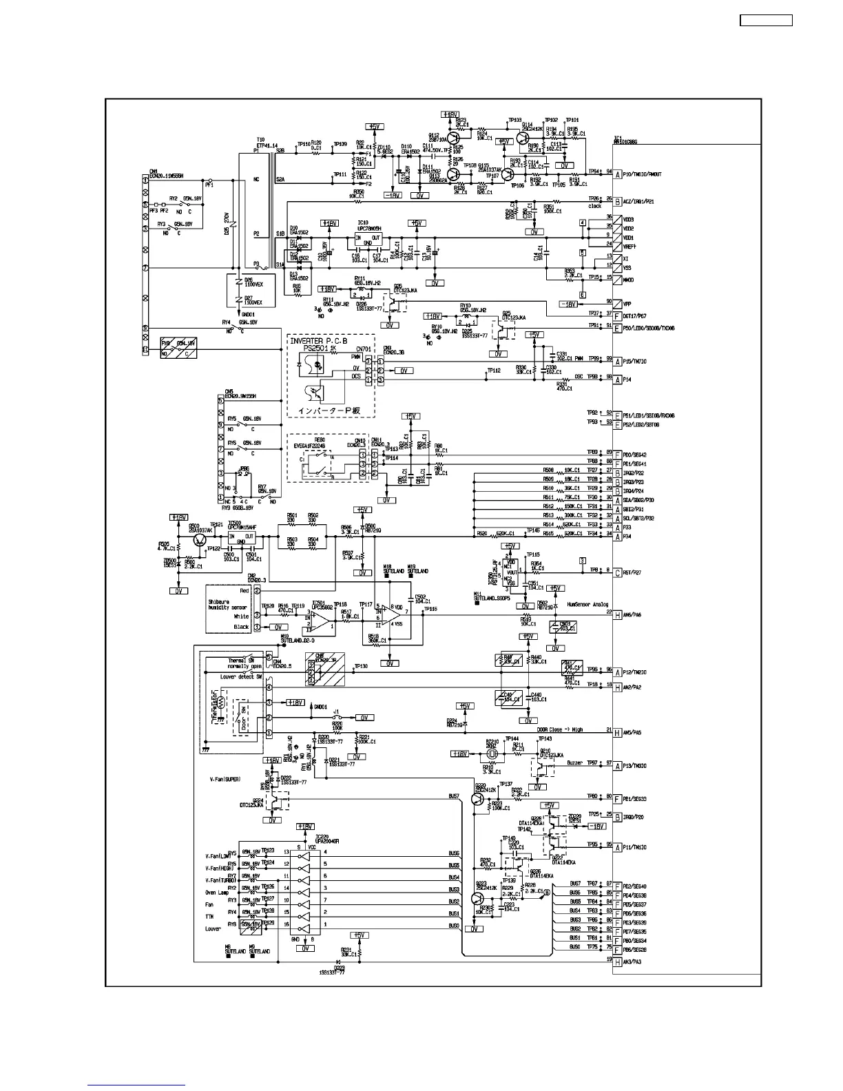
9.3. NN-SD277SR/BR/WR CPH, S255WFR CPH
35
NN-SD297SR

Table of Contents

Related product manuals