EasyManua.ls Logo

Panasonic NN-SA247SR - Nn-Sa247 Sr Cph, S245 Wfr Cph

Panasonic NN-SA247SR
40 pages
Print Icon
To Next Page IconTo Next Page
To Next Page IconTo Next Page
To Previous Page IconTo Previous Page
To Previous Page IconTo Previous Page
Loading...
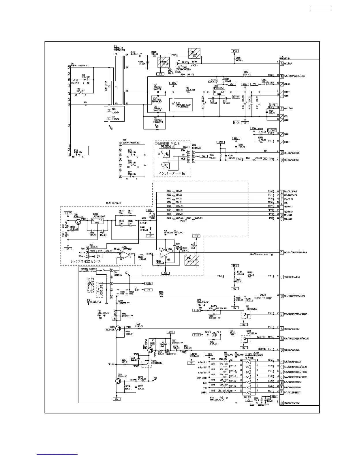
9.4. NN-SA247SR CPH, S245WFR CPH
37
NN-SD297SR

Table of Contents