EasyManua.ls Logo

Panasonic NN-SD297WR - NN-P295 SFR;WFR Circuit Diagram

Panasonic NN-SD297WR
40 pages
Print Icon
To Next Page IconTo Next Page
To Next Page IconTo Next Page
To Previous Page IconTo Previous Page
To Previous Page IconTo Previous Page
Loading...
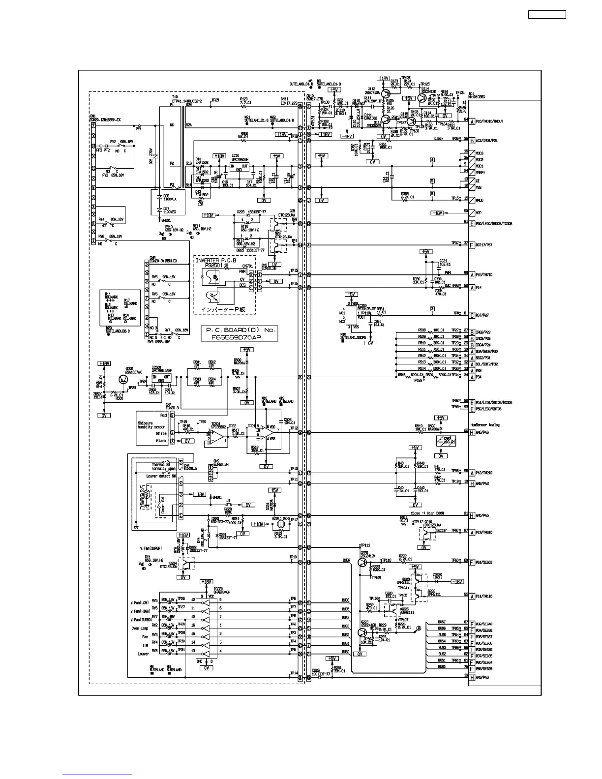
9.2. NN-P295SFR/WFR CPH
33
NN-SD297SR

Table of Contents

Related product manuals