EasyManua.ls Logo

Panasonic NN-SD667S - Nn-Sn677 S Aph

Panasonic NN-SD667S
35 pages
Print Icon
To Next Page IconTo Next Page
To Next Page IconTo Next Page
To Previous Page IconTo Previous Page
To Previous Page IconTo Previous Page
Loading...
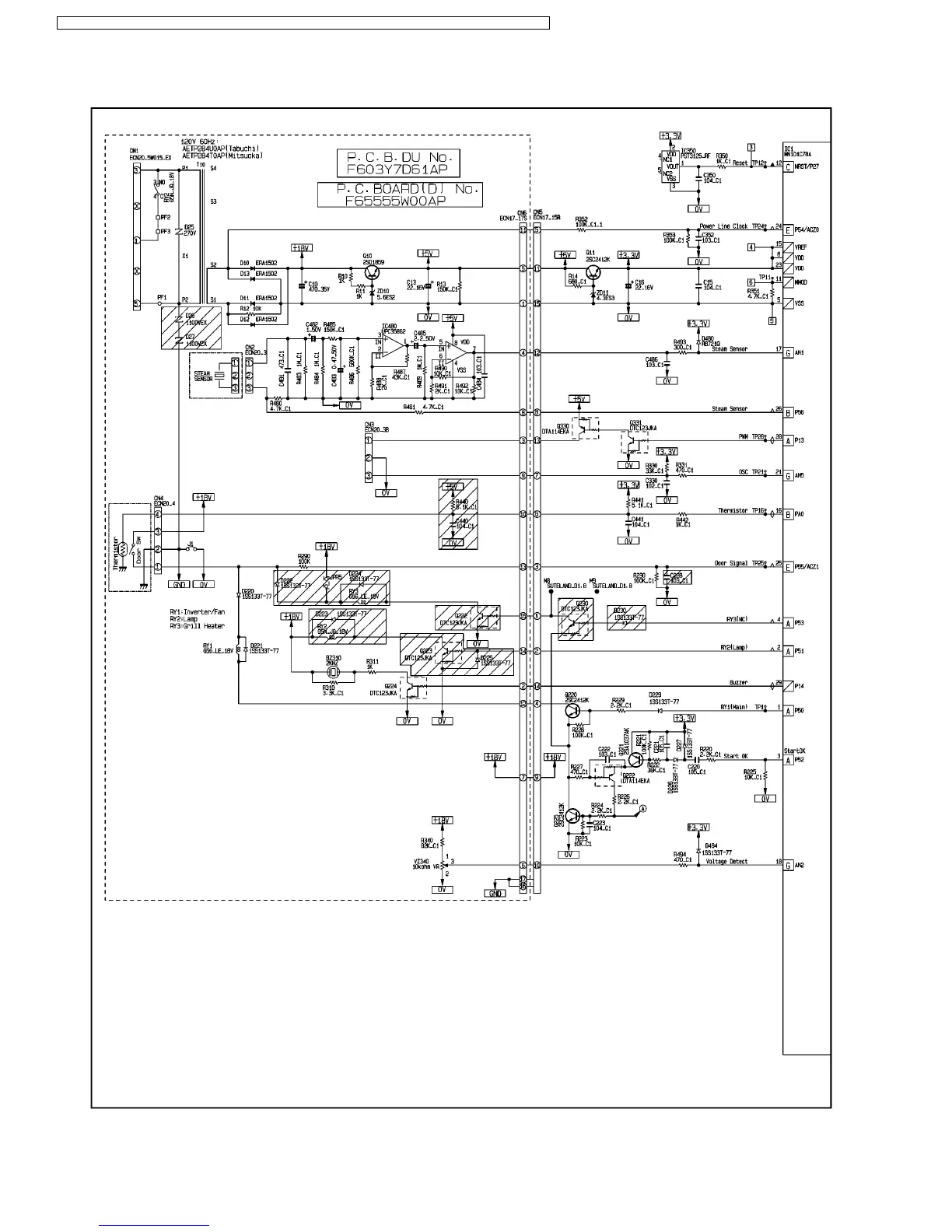
8.3. NN-SN677S APH
26
NN-SD697S / NN-SD677S / NN-SD667S / NN-SN677S / NN-SN667 / NN-SN657S / NN-SA647 / NN-ST677S / NN-ST657W

Other manuals for Panasonic NN-SD667S

Related product manuals