EasyManua.ls Logo

Panasonic NN-SD997S - Digital Programmer Circuit; NN-SD997 S;SD987 S Programmer Circuit

Panasonic NN-SD997S
29 pages
Print Icon
To Next Page IconTo Next Page
To Next Page IconTo Next Page
To Previous Page IconTo Previous Page
To Previous Page IconTo Previous Page
Loading...
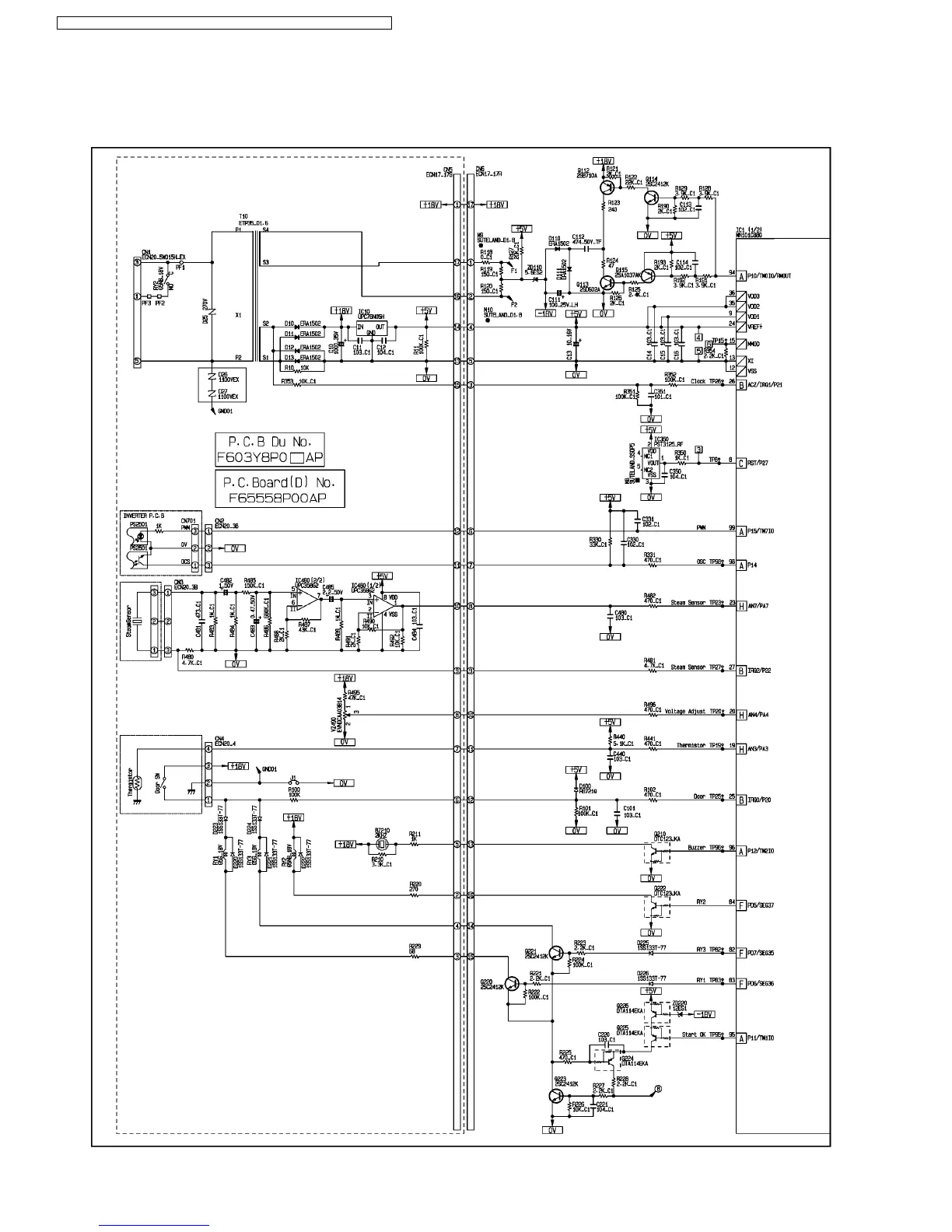
7 DIGITAL PROGRAMMER CIRCUIT
7.1. NN-SD997S APH/CPH, SD987S/SB APH
18
NN-SD997S / NN-SD987S / NN-SD967S / NN-SN977S / NN-SN957S / NN-SN947S

Other manuals for Panasonic NN-SD997S

Related product manuals