EasyManua.ls Logo

Panasonic NN-SD997S - NN-SN947 S Programmer Circuit

Panasonic NN-SD997S
29 pages
Print Icon
To Next Page IconTo Next Page
To Next Page IconTo Next Page
To Previous Page IconTo Previous Page
To Previous Page IconTo Previous Page
Loading...
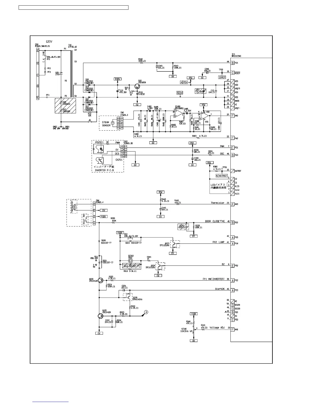
7.5. NN-SN947S APH
26
NN-SD997S / NN-SD987S / NN-SD967S / NN-SN977S / NN-SN957S / NN-SN947S

Other manuals for Panasonic NN-SD997S

Related product manuals