EasyManua.ls Logo

Panasonic NV-DA1 - Page 132

Panasonic NV-DA1
209 pages
Print Icon
To Next Page IconTo Next Page
To Next Page IconTo Next Page
To Previous Page IconTo Previous Page
To Previous Page IconTo Previous Page
Loading...
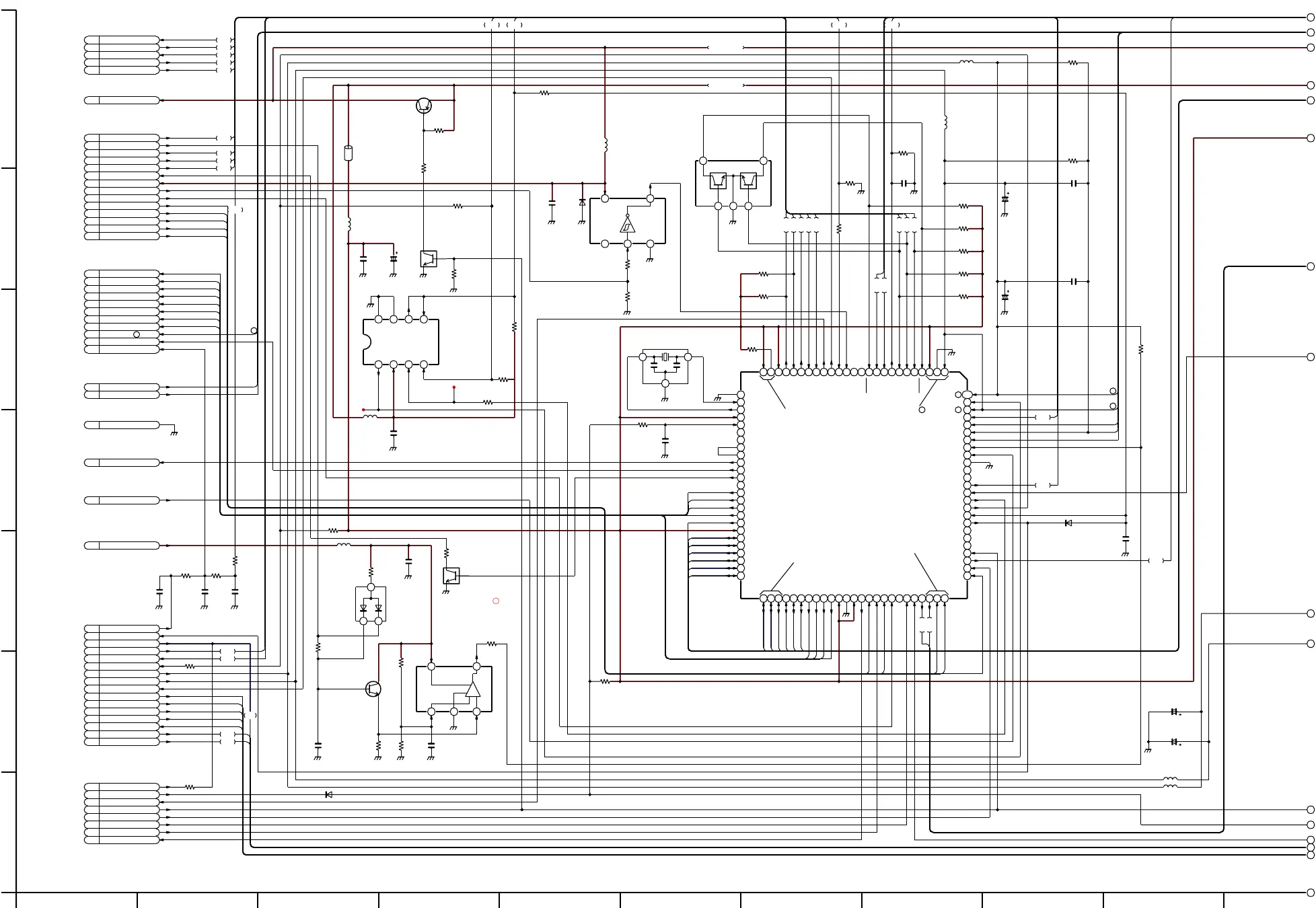
CL315
(CAM 2.8V:ON)
(INV.)
(EEP ROM)
(INV.)
(MF LED CTL :ON)
µCOM(AF/DIS/DSP)
(AMP)
CL311
H
C302
6V10
C301
6V10
12345678910111213141516171819202122232425
26
27
28
29
30
31
32
33
34
35
36
37
38
39
40
41
42
43
44
45
46
47
48
49
50
51525354555657585960616263646566676869707172737475
76
77
78
79
80
81
82
83
84
85
86
87
88
89
90
91
92
93
94
95
96
97
98
99
100
ENC+
ENC SW
ENC+
ENC-
CAMTEST
VIV2
BEND
ENC-
SISLED
ZOOMLED
MFRING1
MFRING2
DACLD
VTRSB0
VTRSBI
VTRSBT
EVRSBO
EVRSBI
EVRSBT
DVSS
OSC1
OSC2
EA
RST
TIME2
TIME1
TEST1
TEST2
CAM T
LEDCNT
MFLEDCNT
FMRST
FMEN
FMDIR
FMCLK
ALE
DVCC2
AD0
AD1
AD2
AD3
AD4
AD5
AD9
AD10
AD11
ZMCLK
ZMDIR
ZMEN
ZMRST
NM1
DVSS
DVCC1
CAMO
WB
CAM RTN
AF/MF
MENU
NC
RTN LFD
BST TEST
RE
MODE2
VTR T
R/W
START
NC
NC
NC
E2P/DASBO
E2P/DASBI
E2P/DASBT
E2PCS
VD
CGCS
NC
DVSS
FNO
IRDET
ABSF
ZOOMAD
ZENC
AGCDET
VREF
R/B
VREF
(1)VREF
(2)AVSS
(3)AVCC
(25)DVCC1
(24)CLK
(75)MODE1
(74)MODE0
(73)WE
(51)AD6
(52)AD7
(53)AD8
R310
10K
8765
1234
R/B
VDD
CS
CK
RESET
GND
SO
SI
123
45
123
45
+-
IC308
AK6480AF
R320
11K
C311
0.1
R319
18K
Q301
2SD1030
R318
330K
C310
0.47
L301
10µ
L302
10µ
AE
DB1
DB2
DB3
DB4
DB5
DB0
DB6
DB7
ADR0
ADR1
ADR2
ADR3
ZMCLK
ZMDIR
ZMEN
ZMRST
QR302
UN9211
R325
100
LB304
VLP0175
L310
10µ
QR301
UN9211
MODE0
MODE1
P
A
B
C
D
E
F
G
1234567891011
IC303
T91CU10F9922
QR303
XP1213
IC305
TA75S393F
VDD
GND
R326
27K
NOTE:DO NOT USE ANY PART NUMBER SHOWN ON THIS
SCHMATIC DIAGRAM FOR ORDERING.WHEN YOU
ORDER A PART,PREASE REFERE TO PARTS LIST.
C328
6V10
CAM 2.8V
CK
CW/CCW
RESET M
ENABLE
ZM CLK
ZM DIR
ZM EN
ZM RST
V REF
LED CTL
PWM A
Z ENC
ABSF
FNO
PWM B
CG DATA
AD IN
AGC DET
CG CS
CG CK
V REF 2.7
V REF 1.0
DAC S
CAM VD
CAM HD
FCK
FCK2
V CTL
AD CLK
CAM CP2
D GND
3
12
D306
MA132WA
R332
10M
R317
2.2M
C332
0.1
L311
10µ
CAM 5V
WB
MF
MODE2
MODE1
MODE0
MENU
MF L1
MF VCC
MF LED
ENC SW
ENC(+)
ENC(-)
IR SENS
MF L2
13
2
X301
VSX0947
(16MHz)
C321
0.1
Q303
2SB970X-R
R334
10K
R335
2200
C327
0.1
TO CAMERA CONNECTION
<TO SENSOR/LENS DRIVE)
TO CAMERA CONNECTION
<TO CAMERA OPERATION>
TO CAMERA CONNECTION
<TO LENS DRIVE>
TO CAMERA CONNECTION
<TO LENS>
TO CAMERA CONNECTION
<TO LENS DRIVE/VIDEO1>
TO CAMERA CONNECTION
<TO LENS DRIVE/SENSOR>
TO CAMERA CONNECTION
<TO SENSOR>
TO CAMERA CONNECTION
C306
1000P
C307
1
R314
150K
C308
0.1
R315
56K
R316
22K
CAM T
TO CAMERA CONNECTION
<TO CONTROL/VTR MAIN CONNECTION>
V C DATA
CAM SCLK
EVR SB0
EVR SB1
EVR SCK
EVR AD IN
CAM RESET
C V DATA
CAM D3 OFF
VTR T
RTN FLD
CAM RTN
CAM 0
R361
1K
R347
4700
R346
1500
C323
0.1
L312
10µ
R348
4700
R305
680
R313
820
R372
4700
R371
4700
R356
10K
R369
10K
R343
47K
R337
4700
R336
4700
C320
6V10
C322
0.01
R311
1200
R351
33K
C319
6V10
R307
220K
C335
1000P
C334
1000P
R306
220K
C331
22P
D303
RB521S-30
D333 MA110
R324
47K
54
123
R338
1K
R339
33K
L309
10µ
IC310
TC7S14FUTL
C337
0.01
D301
MA8056
R302
4700
N1
N2
A22
A23
A1
A2
A3
A4
A5
A6
A7
A8
A9
A10
A11 A12
RESET M
ENABLE
CW/CCW
CK
VDD
GND
A1
A2
A3
A4
A5
A7
A8
A9
A15
A14
A6 A13
A22
A23
A17
G1
G2
MODE 2
O
N
M
L
K
J
I
H
G
F
E
D
C
B
A
217
165
163
166
164
160
161
162
N3
TO CAMERA CONNECTION
<TO CONTROL>
143
144
145
146
147
148
149
150
151
152
153
154
155
156
157
158
R304 0
131
110
170
R360
4700
R321
8200
129
128
127
132
133
134
135
136
137
138
139
140
141
142
ABSF
Z ENC
V
REF
111
124
113
112
114
121
122
123
115
116
117
118
119
120
130
171
172
173
175
174
TO CAMERA CONNECTION
<TO VTR MAIN CONNECTION>
REG 3V
CAM 2.8V
R352
1K
R368
47K
WB
MF
NC
L306
10µ
L305
10µ
VREF
VREF
ZENC
ZOOM AD
ABSF
L
H
L
L
L
H
L

Related product manuals