EasyManua.ls Logo

Panasonic NV-DA1 - Page 135

Panasonic NV-DA1
209 pages
Print Icon
To Next Page IconTo Next Page
To Next Page IconTo Next Page
To Previous Page IconTo Previous Page
To Previous Page IconTo Previous Page
Loading...
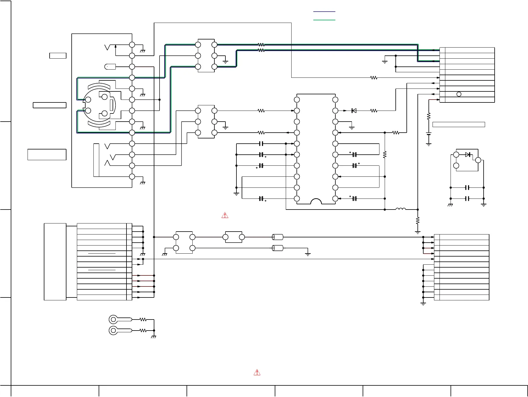
(RS232C I/F)
TO VTR MAIN CONNECTION
<TO FP3504>
PS1201
10
9
8
7
6
5
4
3
2
1
Y OUT
D GND
C OUT
D GND
D GND
DC IN SW
UART0
UARTI
CN
LI BATT(+)
12
11
10
9
8
7
6
5
4
3
2
1
NOREG
NOREG
NOREG
NOREG
D
NOREG GND
NOREG GND
NOREG GND
NOREG GND
NOREG GND
NOREG GND
NOREG GND
TO CAMERA CONNECTION
<TO P101>
P1201
FL1201
VLF1376A256T
1
2
3
6
5
4
FL1202
VLF1394
1
2
3
6
5
4
3
1
2
RIN1
DOUT2
DOUT1
VCHA
STBY
VSS
C4-
GND
V4+
ROUT
DIN
C5-
C5+
C1-
VCC
C1+
VDD
10
9
8
7
6
5
4
3
2
1
11
12
13
14
15
16
17
18
19
20
C1203 35V3.3
C1202 35V3.3
C1207 20V3.3
C1208 35V3.3 C1204 20V3.3
C1210 6V22
D1202
MA2S728
R1202
100
R1207
100
R1203
8200
R1215
180
B1201
VL2020/1HF
L1201
10µ
R1204
56K
R1206 100
R1205 100
C1205 1000P
1
2
3
4
5
6
7
8
9
10
11
12
13
14
GND
GND
GND
GND
GND
D
D
+B
+B
+B
+B
+B
FP1202
BATTERY
CATCHER
1
23
412
FL1203
VLF1378
IP1201
VSF0233F31
LB1201 VLP0307T
LB1202 VLP0307T
13
12
11
10
6
5
9
7
4
3
2
1
8
D1201
MA3062
4
3
2
1
JK1201
VEJ1839
DIGITAL
STILL PICTURE
DC IN
S-VIDEO OUT
R1221
0
R1222
0
TO
FRAME GND
NOTE:DO NOT USE ANY PART NUMBER SHOWN ON THIS SCHEMATIC DIAGRAM FOR
ORDERING.WHEN YOU ORDER A PART,PLEASE REFER TO PARTS LIST.
VIDEO MAIN SIGNAL PATH IN REC MODE
VIDEO MAIN SIGNAL PATH IN PLAYBACK MODE
LITHIUM BATTERY
123456
A
B
C
D
R1213 68
R1214 68
IC1201
UPD4721GS-E1
C1209
0.1
C1206
0.1
R1208
1K
INPORTANT SAFETY NOTICE:
COMPONENTS IDENTIFIED WITH THE MARK HAVE THE SPECIAL CHARACTERISTICS FOR SAFETY.
WHEN REPLACING ANY OF THESE COMPONENTS,USE ONLY THE SAME TYPE.
H

Related product manuals