EasyManua.ls Logo

Panasonic NV-DA1 - Page 165

Panasonic NV-DA1
209 pages
Print Icon
To Next Page IconTo Next Page
To Next Page IconTo Next Page
To Previous Page IconTo Previous Page
To Previous Page IconTo Previous Page
Loading...
5
4
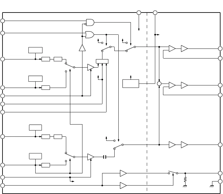
CHARA
CLAMP
CLAMP
BPF
ATT
BIAS
ATT
BIAS
286mVpp
17
BLANK
6
19
CIN1
CIN2/
INSEL
GCACTLY
/MUTE
2
C
20
LPF
ATT
CLAMP
ATT
CLAMP
1Vpp
3
1Vpp
1
YIN1
YIN2
18
PWRSAVE
+
-
+
+
-
7
9
10
12
11
8
14
13
YOUT
YSAG
VOUT
VSAG
COUT
SDCOUT
GND
2Vpp
2.286Vpp
572mVpp
+12dB
75 DRIVE
SW6
2
1
220k
+12dB
75 DRIVE
+18dB
75 DRIVE
3V
4.8V
2
1
2
1
SW3
SW4
0.5Vpp
GCA
6 ± 3dB
COMPARATOR
1
2
SW1
-12dB
0.25Vpp
-12dB
0.25Vpp
PWRSAVE
/GCACTLC
-12dB
-12dB
71.5mVpp
71.5mVpp
2
1
SW2
GCA
6 ± 3dB
2
1
SW5
143mVpp
6dB
COMPARATOR
16 15
VCC2
VCC1
WIDE
IC3006
NJM2538V
Vreg.
-6dB
286mVpp