EasyManua.ls Logo

Panasonic NV-DA1 - Page 175

Panasonic NV-DA1
209 pages
Print Icon
To Next Page IconTo Next Page
To Next Page IconTo Next Page
To Previous Page IconTo Previous Page
To Previous Page IconTo Previous Page
Loading...
(BACK LIGHT
DRIVE)
2.1
0.5
4.7
2.8
2.8
0
2.8
2.8
(LCD DRIVE)
2.4
2.4
2.4
2.4
2.4
4.7
0
2.8
2.7
2.5
1.4
0.7
4.7
1.2
1.2
0
2.8
2.7
2.8
0.5
12.2
5.7
1.81.8
123 4
A
B
C
D
E
F
1
2
3
4
5
6
7
8
9
10
11
12
13
14
15
16
17
18
LCD HD
V BLK
E BLK
E FRP
M E PLL
E PLL
LCD WIDE
EVF 3V
D GND
D GND
EVF 5V
EVF 12V
E B OUT
E G OUT
E R OUT
E BL 6V
NOREG GND
NOREG GND
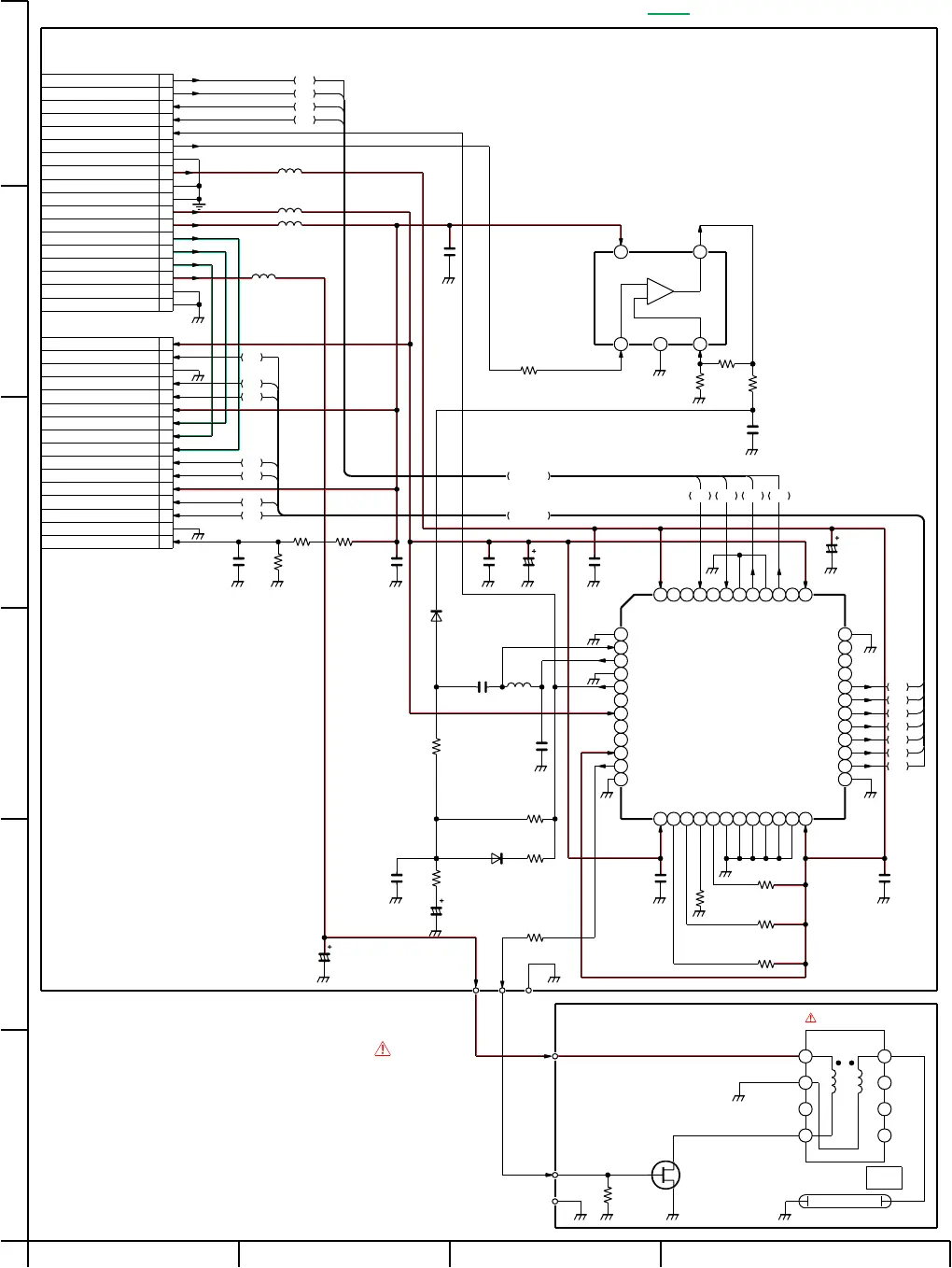
TO VTR MAIN CONNECTION
<TO FP3501>
FP801
1
2
3
4
5
6
7
8
9
10
11
12
13
14
15
16
VDD
DX
VSS X
/CLX
CLX
VGG X
VID-G
VID-R
VID-B
/CLY
CLY
VGG Y
DY
SB
VSS Y
LC COM
TO EVF LCD PANEL
FP802
1
2
3
4
5
6
7
8
9
10
11
12
131415161718192021222324
25
26
27
28
29
30
31
32
33
34
35
36
373839404142434445464748
VSS
OSCI
OSCO
VSS
PCO
OFH
VMODE
WMODE
SBLD
BLDIN
BLD
VSS
VSS
CLO
NC
NC
SB
DY
CLY
/CLY
CLX
/CLX
DX
VSS
VDD2
WBLD1
WBLD2
WBLD3
PSMODE
TEST1
TEST2
TEST3
TEST4
TEST5
TEST6
VDD1
VDD1
VDOUT
MVSYNC
VSYNC
MHSYNC
HSYNC
SYMODE
FRP
HVSW
BLK
HDOUT
VDD2
R805
1K
R807
1K
R808
1K
R802
1K
1
2
3
4
8
7
6
5
T881
ETJ09K31AM
BL881
VLL0204
S
Q881
2SK1229-3S
R881
47K
EVF-A C.B.A.
(VEP28240D)
L803 10µ
L804 10µ
L805 10µ
L881
10µ
123
54
R850
22K
R849
470
R851
10K
R852
6800
IC805
TA75S558F
C827
1000P
D801
MA338
C829
0.1
C834
0.1
L801
6.8*
C866
0.1
R879
18K
R878
18K
C865
0.1
C835
0.1
C836
0.1
C838
6V10
C837
0.1
C839
6V10
C830
47P
R836
470
R834
1K
D803
1SS355
R832
100K
R835
4700
C833
16V2.2
C832
4700P
R841
100
C802
12.5V15
JA3JA1 JA2
EVF-B C.B.A.
(VEP28244C)
B4
B5
B6
B7
B1
B2
B3
A1
A2
A3
A4
A2 A1 A4 A3
B7
B6
B5
B4
B3
B2
B1
B-LINE
A-LINE
IC802
ET2070FOC
C801
3.3
+
-
JA1
JA2
JA3
MAIN SIGNAL PATH
R880
3300
BACK
LIGHT
INPORTANT SAFETY NOTICE:
COMPONENTS IDENTIFIED WITH THE MARK HAVE THE
SPECIAL CHARACTERISTICS FOR SAFETY.
WHEN REPLACING ANY OF THESE COMPONENTS,USE ONLY
THE SAME TYPE.
NOTE:THE MEASUREMENT MODE OF THE DC VOLTAGEON THIS
DIAGRAM IS STOP MODE WITH AIM THE CAMERA AT
THE COLOUR CHART.
NOTE:DO NOT USE ANY PART NUMBER SHOWN ON THIS
SCHEMATIC DIAGAM FOR ORDERING.WHEN YOU ORDER
A PART,PLEASE REFER TO PARTS LIST.