EasyManua.ls Logo

Panasonic NV-DA1 - Page 177

Panasonic NV-DA1
209 pages
Print Icon
To Next Page IconTo Next Page
To Next Page IconTo Next Page
To Previous Page IconTo Previous Page
To Previous Page IconTo Previous Page
Loading...
(AMP)
(PB HEAD2 CTL)
(PB HEAD1 CTL)
(HEAD/REC AMP)
(AMP)
( )
2.1
(2.8)
1.8(2.4)
2.8
0(0.2)
0(0.3)
2.8
(2.5)
1.6
0
0.8
2.5
0
2.8
0.7
0
0
5.0
1.4
(1.3)
0.7
1.9
(2.4)
0
1.0
(1.2)
2.8
0
1.7
(-1.5)
5.1
(4.9)
5.0
5.1
(4.9)
1.7
(-1.4)
0.1
2.8
1.0
0
2.0(2.6)
0.7
1.4(1.3)
0
0
0(2.8)
2.8(0)
1.4
2.8
2.8(0)
0(2.8)
0
0
0
0
0
2.1(0.7)
0
1.1(2.6)
2.1
(2.8)
1.9(2.8)
2.8
1.7
(2.5)
2.3
(2.8)
0.9(1.9)
1.0
0.7
0.7(-1.5)
0(0.1)
0(0.1)
0.7(-1.7)
0.7
1.0
(1.2)
2.4
1
2
3
4
5
6
7
8
FP5001
CH3F
CH3S
GND
CH1F
CH1S
CH2S
CH2F
GND
24
23
22
21
20
19
18
17
16
15
14
13
12
11
10
9
8
7
6
5
4
3
2
1
REC I
HID1
HID2
HID3
REC CTL
RA S TAB
EQ HLD
RF AGC OUT
ATF OUT
HSE
HA OUT
RF GND
REC C ADJ
REC CUR
A 3V
HRA 5V
RF GND
TO VTR MAIN CONNECTION
<TO FP3201>
A
1
B
C
D
E
234 5
PB
RF GND
RF GND
RF GND
RF GND
RF GND
2
18
1
64 17
19
20
21
22
23
24
25
26
27
28
3456789101112
38 3739404142434445464748
54
53
55
56
57
58
59
60
61
62
63
13
36 35
14 15
34 33
16
2952
51 30
3150
49 32
F
G
C5028
1200P
C5029
1
C5030
1000P
C5032
47P
C5031
0.01
L5005
4.7µ
L5007
4.7µ
C5033
680P
R5028
1500
C5039
0.01
R5004
0
R5005 1K
C5004
0.01
C5007
0.01
C5017
0.01
R5026
0
C5025
6V10
C5026
1500P
C5024
0.01
R5029
0
R5021
10
R5015
270
C5021
6V10
R5014
270
C5035 6V10
C5015 0.01
L5002
22µ
R5010
68
C5013
1500P
C5014
6V10
Q5002
2SC3937
Q5003
2SC3937
Q5005
2SD1819A
Q5006
2SD1819A
R5017
1K
R5016
1K
R5024
10K
IC5001
AN3731FHQ
C5018 22P
C5037
6V10
C5038
0.01
C5034
0.01
C5010
0.01
C5019
0.01
C5023
0.01
C5001 0.01
C5002 0.01
R5002 470
R5003 10K
C5027
33P
R5019
12K
R5020
1500
L5003
22µ
C5020
6V10
R5012
1500
R5013
12K
C5016
33P
CYL
RCTL
HID3
HID2
HID1
PB H
REC I
STAB
PBEN
MMC
EQHLD
ENV DET
TRICK H
ATF OUT
GND
AGC OUT
AGC CTL
GND
HA OUT
VCC 3V
PB OUT
AGC IN
HSE
GND
LOGIC
AGC
DET
ENV
DET
LPF
3rd
AMP
AGC
AMP
VREF
GCA
HA3
RA3
HA1
RA1
RA2
HA2
MONITOR
HSW
ENV CTL
R5025
270
C5040
0.01
AGC DET
VCC 3V
REC R1
REC
R2
EVR
HA3DET
HA3FB
HA3ACFB
PBSW3
HA3
IN
VCC
3V
MON3
IN
PB H2
RA2 OUT
VCC 5V
RA1 OUT
PB H1
GND
MON1 IN
VCC 3V
HA1
IN
PB
SW1
HA1ACFB
HA1
FB
HA1
DET
VCC
5V
RA3 OUT
PBH3
RCUR
REC R
HA2DET
HA2FB
HA2AFB
PBSW2
HA2 IN
VCC 3V
MON2 IN
GND
INSRH
ENV OUT
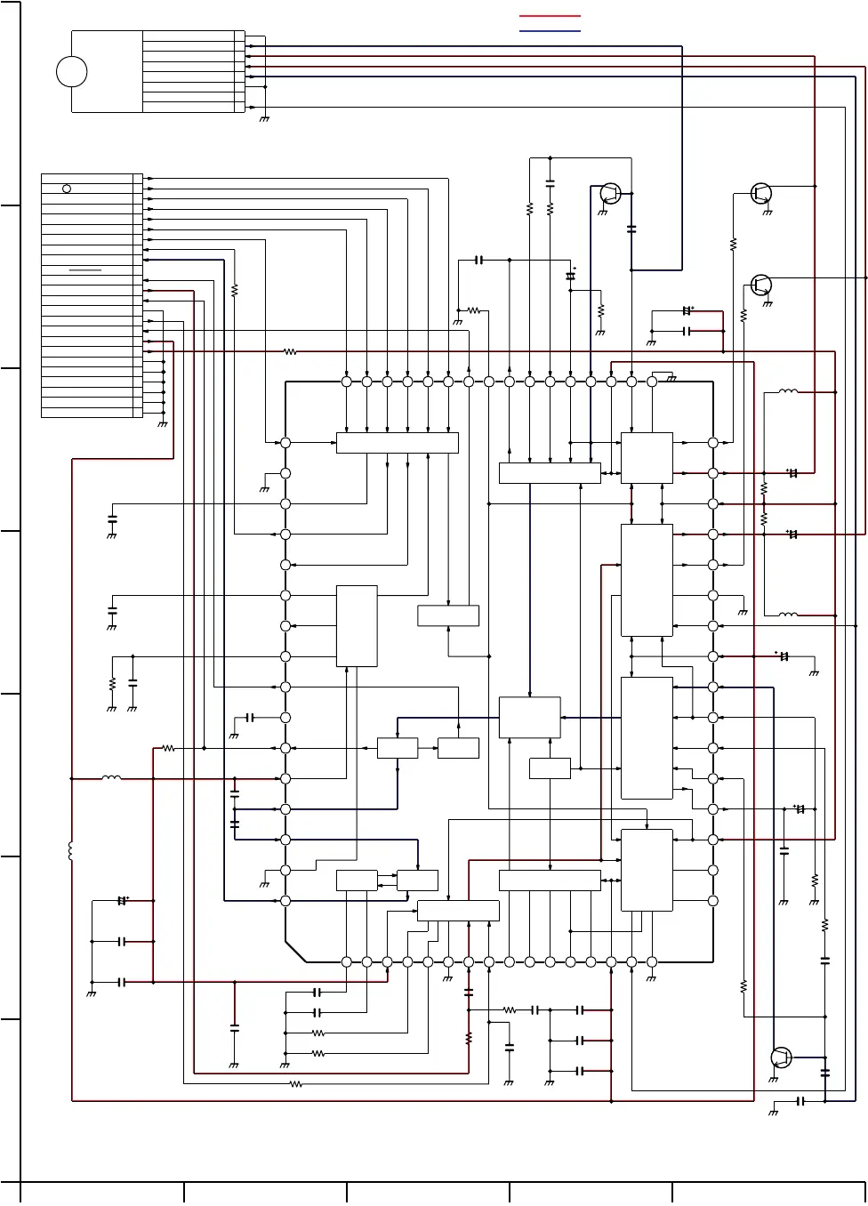
MAIN SIGNAL PATH IN REC MODE
MAIN SIGNAL PATH IN PLAYBACK MODE
R5018
68
NOTE:DO NOT USE ANY PART NUMBER SHOWN ON THIS SCHEMATIC DIAGRAM FOR ORDERING.WHEN YOU ORDER A PART,PLEASE
REFER TO PARTS LIST.
NOTE:THE MEASUREMENT MODE OF THE DC VOLTAGE OUT OF THE BRACKETS ON THIS DIAGRAM IS PLAYBACK MODE.
THE MEASUREMENT MODE OF THE DC VOLTAGE IN THE BRACKETS ON THIS DIAGRAM IS RECORD MODE.(SP MODE)
C5036
6V10
H