EasyManua.ls Logo

Panasonic NV-DA1 - Page 183

Panasonic NV-DA1
209 pages
Print Icon
To Next Page IconTo Next Page
To Next Page IconTo Next Page
To Previous Page IconTo Previous Page
To Previous Page IconTo Previous Page
Loading...
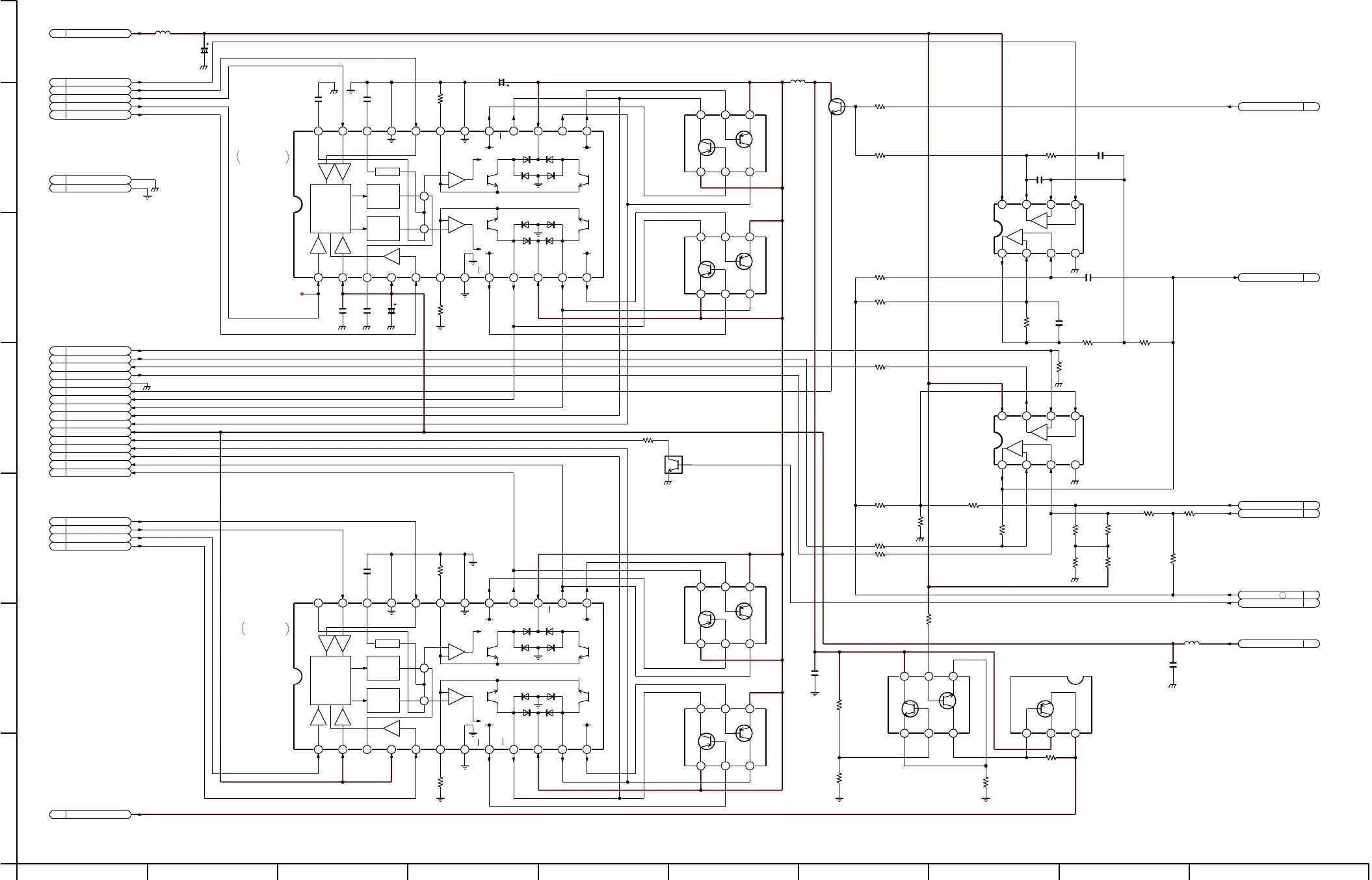
ZOOM MOTOR
DRIVE
AF MOTOR
DRIVE
(AMP)
(AMP)
(STABLIZER)
(SWITCHING)
(AMP)
(AMP)
(AMP)
(ENC LED SW)
CL701
L
PWM A
ZM EN
ZM DIR
ZM CLK
ZM RST
CAM 5V
D GND
NOREG
NOREG GND
HALL IN(-)
HALL OUT(-)
HALL IN(+)
HALL OUT(+)
D GND
ALC MAIN(+)
Z BN
Z BP
Z AP
Z AN
F ENC VCC
LED CTL
F BP
F BN
F AN
F AP
ENABLE
CW/CCW
CK
RESET M
1B
NFB
MODE
RESET
1B
PG-B
CW/
CCW
φB
VMB
φB
OSC
1
SG
CB
24
32 4 5 6 7 8 9 10 11 12
23 2122 20 19 18 17 16 15 1314
φA
1A
PG-A
NFA
ENABLE
VMA
1A
φA
DECODER
SET POINT
CURRENT
SELECT
SET POINT
CURRENT
SELECT
+
+
VCC
CA
CK1
OSC
+
-
PWM
SIGNAL
+
-
PWM
SIGNAL
C704
6V10
C709
0.1
C703
0.1
R702
3.3
R701
3.3
C702
3300P
C710
0.1
1B
NFB
MODE
RESET
1B
PG-B
CW/
CCW
φB
VMB
φB
OSC
1
SG
CB
24
32 4 5 6 7 8 9 10 11 12
23 2122 20 19 18 17 16 15 1314
φA
1A
PG-A
NFA
ENABLE
VMA
1A
φA
DECODER
SET POINT
CURRENT
SELECT
SET POINT
CURRENT
SELECT
+
+
VCC
MO
CK1
OSC
+
-
PWM
SIGNAL
+
-
PWM
SIGNAL
123
654
123
654
123
654
123
654
IC701
TB6526F
IC702
TB6526F
R706
2.2
L701
10µ
C701
6V10
L703
10µ
Q701
2SD601A
213
7
4
7865
865
2431
NOTE:DO NOT USE ANY PART NUMBER SHOWN ON THIS SCHEMATIC DIAGRAM FOR
ORDERING.WHEN YOU ORDER A PART,PLEASE REFER TO PARTS LIST.
-
+
+
-
-
+
+
-
R722
100K
C721
1000P
C722
0.1
R723
10K
C719
1000P
R737
220
R716
4700
R718
22K
C720
1
R720
10K
R721
10K
654
321123
R753
47K
R752
3300
Q708
XP4501
R749
22K
R745
68K
C707
0.1
R736
560K
R729
39K
R730
10K
R733
1M
R731
27K
R732
33K
R741
1M
R738
120K
R740
47K
R751
2200
R728
15K
R727
47K
R735
12K
R734
12K
QR701
UN9211
Q707
2SB1073
C711
0.1
L704
10µ
R707
100
R703
100
R726
470
R761
2700
Q703
XN4404
Q704
XN4404
Q706
XN4404
Q705
XN4404
IC706
NJM2115VA
IC711
TA75W01FUTL
TO CAMERA CONNECTION
<TO SENSOR/PROCESS>
TO CAMERA CONNECTION
<TO PROCESS>
TO CAMERA CONNECTION
TO CAMERA CONNECTION
<TO LENS>
TO CAMERA CONNECTION
<TO PROCESS>
TO CAMERA CONNECTION
<TO VTR MAIN CONNECTION/
POWER/MONITOR/RS232C>
C706
3300P
R705
2.2
TO CAMERA CONNECTION
<TO VTR MAIN CONNECTION>
TO CAMERA CONNECTION
<TO PROCESS/VTR MAIN CONNECTION>
TO CAMERA CONNECTION
<TO SENSOR>
TO CAMERA CONNECTION
<TO PROCESS>
TO CAMERA CONNECTION
<TO PROCESS/SENSOR>
HALL GAIN
HALL BIAS
LED CTL
V REF
CAM 2.8V
FNO
IRIS OPEN
123456789 10
A
B
C
D
E
F
G
53
54
51
52
63
64
47
48
65
61
60
59
62
49
31
32
33
34
35
36
40
39
38
37
41
42
45
46
43
44
58
56
55
57
30
50
C705
10V47