EasyManua.ls Logo

Panasonic NV-DA1 - Page 186

Panasonic NV-DA1
209 pages
Print Icon
To Next Page IconTo Next Page
To Next Page IconTo Next Page
To Previous Page IconTo Previous Page
To Previous Page IconTo Previous Page
Loading...
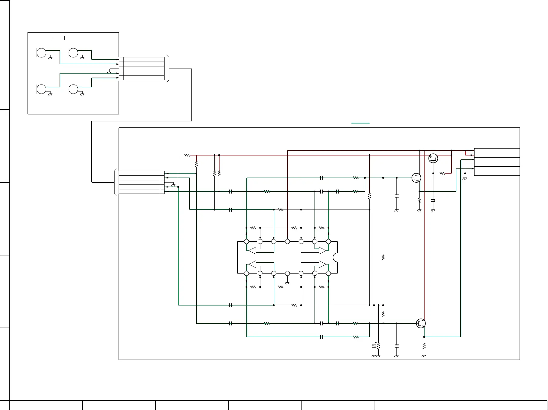
(MIC AMP)
(MIC AMP)
(SWITCHING)
(MIC AMP)
123456 7
A
B
C
D
+
-
ECM(RF)
5
4
3
1
2
ECM(LR)
ECM(LF)
GND
ECM(RF)
ECM(RR)
R4801
3900
R4803
3900
R4802
3900
R4804
3900
C4802
0.047
8 9 10 11 12 13 14
7654321
-
+
IC4801
NJM2112V
R4808
100K
-
+
-
+
-
+
R4806
47K
R4807
18K
R4817
15K
R4805
27K
C4805
0.15
C4803
0.082
C4804
180P
R4815
4700
R4816
4700
R4814
100K
R4812
47K
R4818
15K
R4813
18K
C4810
0.082
C4801
0.022
C4807
0.047
C4806
0.022
R4811
27K
C4809
0.15
C4808
180P
R4809
4700
R4810
4700
R4823
22K
C4817
6V22
R4824
33K
R4863
100K
R4860
100K
C4816
0.022
R4864
4700
Q4811
2SD1819A
Q4805
2SD1819A
C4814
0.022
R4861
4700
Q4810
2SD1819A
C4830
6V22
1
2
3
4
5
6
REG A5V
REG A5V
MIC OUT (R)
MIC GND
MIC OUT (L)
MIC GND
R4839
4700
TO SPK AMP
CONNECTION
<TO FP4901>
FP4802
E
5
4
3
1
2
ECM(LR)
ECM(LF)
GND
ECM(RF)
ECM(RR)
FP4803
+
-
ECM(RR)
+
-
ECM(LF)
+
-
ECM(LR)
NOTE:DO NOT USE ANY PART NUMBER SHOWN ON THIS SCHEMATIC DIAGRAM FOR
ORDERING.WHEN YOU ORDER A PART,PLEASE REFER TO PARTS LIST.
MIC
AUDIO MAIN SIGNAL PATH IN REC MODE