EasyManua.ls Logo

Panasonic NV-DS29B - Rear Schematic Diagram

Panasonic NV-DS29B
133 pages
Print Icon
To Next Page IconTo Next Page
To Next Page IconTo Next Page
To Previous Page IconTo Previous Page
To Previous Page IconTo Previous Page
Loading...
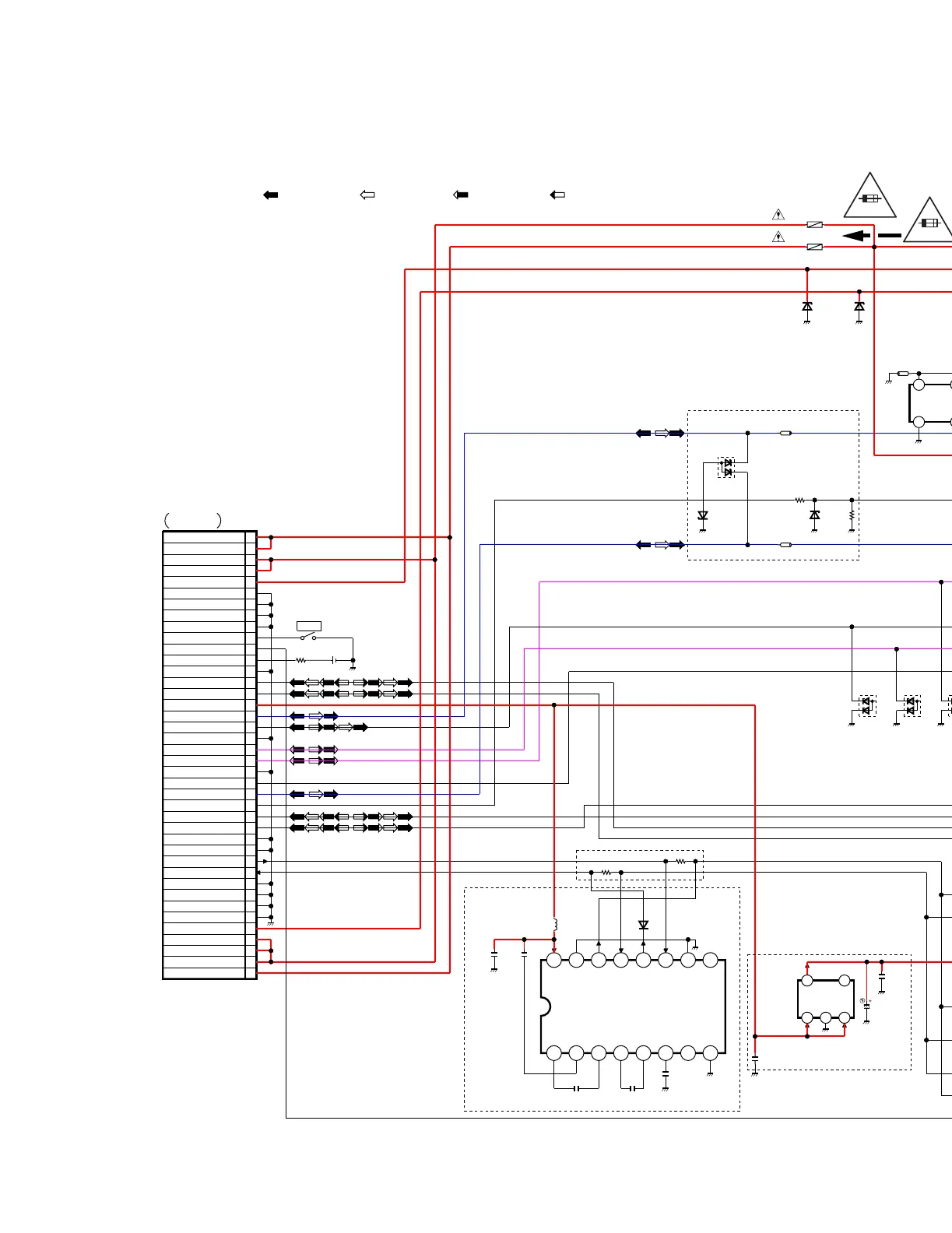
8.3. REAR SCHEMATIC DIAGRAM
N
OTE:
FOR SCHEMATIC DIAGRAM AND CIRCUIT BOARD LAYOUT NOTES
,
REFER TO BEGINNING OF SCHEMATIC SECTION.
N
OTE:
PARTS ENCLOSED IN DASHED LINES MARKED "PT" ARE NOT USED
.
COMPARISON CHART
OF MODELS & MARKS
NV-DS29EG
NV-DS20EGM
NV-DS29B
NV-DS29EGE
NV-DS30EG
NV-DS30EGM
NV-DS30B
NV-DS30EGE
NV-DS30EN
NV-DS30ENT
NV-DS30ENC
NV-DS30A
NV-DS50EN
NV-DS50ENT
NV-DS50A
Not Used
A
B
C
D
E
F
G
H
I
J
K
L
M
N
O
PT
MODEL MARK
NOTE: For placing a purchase order of the parts,
be sure to use the part number listed in the parts list.
Do not use the part number on this diagram.
REAR SCHEMATIC DIAGRAM
MPORTANT SAFETY NOTICE:
OMPONENTS IDENTIFIED BY THE SIGN HAVE
PECIAL CHARACTERISTICS IMPORTANT FOR SAFETY
HEN REPLACING ANY OF THESE COMPONENTS,
SE ONLY THE SPECIFIED PARTS.
T1out
R1in
T1in
R1out
VOUT
VIN VSS ON
RS232C ONLY
USB ONLY
RS232C ONLY
RS232C ONLY
WITH S-JACK ONLY
PAL ONLY
PB AUDIO SIGNALREC VIDEO SIGNAL PB VIDEO SIGNAL REC AUDIO SIGNAL
TO MAIN C.B.A.
B1
(12V)(12V)
(6.2V)
(6.8V)
(6.2V)
PAL ONLY
(6.8V)(6.8V)(6.8V)
A,B,C,D,E,F,G,H,I,J,K,L
A,B,C,D,E,F,G,H,I,J,K,L
A,B,C,D,E,F,G,H,I,J,K,L
M,N,O
EJECT
RS-232C
DV JACK
USB
JK7003
R7002
FL6701
C1201
C1202
D1201 D1202
B1201
D7003 D7001D7002
C6702
C6703
IC6701
C6705
C6704
C6701
FL1201
IC6702
JK6703
R6707
R6706
C6706
C6707
L6707
C7002
C7001
D6701
D7006
D7005
D7004
R6704
R6703
JK6701
M,N,O
C6708
Z7001
L6701
L6704
L6702
L1202
L6703
L7001
L7003
L7004
L7002
L7005
L6706
L6705
L1201
IP1202
IP1201
JK7001
+
T
D
-
2
4
3
a
b
c
d
e
f
1
2
3
4
5
6
R7001
R7003
SW1201
PT
PT
0.01
0.01
RD12S[B] RD12S[B]
DF3A6.8FE DF3A6.8FEDF3A6.8FE
0.1
0.1
C0ZBZ0000275
0.1
0.1
1
J0MAB0000062
S814A33AMC-B
0
0
1
PT
10
4700P
4700P
MA2S728008
RD6.2S
B0BD6R800009
RD6.2S
LSRJ0002
LSRJ0002
1
LSSB0004
820
0
820
PT
0
J0JBC0000027
J0JBC0000027
J0JBC0000027
J0JBC0000027
J0JBC0000027
0
0
PT
1A/32V
2A/32V
330
560
ESE22MH4
5 D_GND
4TPA+
3TPA-
2 TPB+
1 TPB-
4
5
6
1
2
3
38
UNREG[2A]
37
UNREG[2A]
36
BATT_TMP
35
UNREG_GND
34
UNREG_GND
33
UNREG_GND
32
UNREG_GND
31
EJECT_SW
30
Vbus
29
LIBATT++
28
D_GND
27
TPA-
26
TPA+
25
5V
24
S_C_OUT
23
VIDEO_OUT
22
AV_GND
21
AUDIO_L_OUT
39
UNREG[1A]
40UNREG[1A]
18
AV_DET_L
17
S_Y_OUT
16
S_DET_L
15
TPB+
14
TPB-
13
DV_GND
12
USB_GND
11
UART_OUT/D+
10
UART_IN /D-
9
UNREG_GND
8
UNREG_GND
7
UNREG_GND
6
UNREG_GND
5
BATT_DET
4
UNREG[2A]
3
UNREG[2A]
2
UNREG[2A]
1UNREG[1A]
19
AV_GND
20
AUDIO_R_OUT
12345678
111213141516 910
1
4
2
3
1
VDD
2
GND
3
RXD
4
TXD
1
VBUS
2
D-
3
D+
4
NC(ID)
5
GND
123
45
BATTREY TERMINAL
D
AV-JACK
+
S-JACK
-
T
DC JACK
2A 32V
1A 32V
LSJB8183
REAR SCHEMATIC DIAGRAM
NV-DS29EG/NV-DS29EGM/NV-DS29B/NV-DS29EGE/NV-DS30EG/
NV-DS30EGM/NV-DS30B/NV-DS30EGE/NV-DS30EN/NV-DS30ENT/
NV-DS30ENC/NV-DS30A/NV-DS50EN/NV-DS50ENT/NV-DS50A
163

Other manuals for Panasonic NV-DS29B

Related product manuals