EasyManua.ls Logo

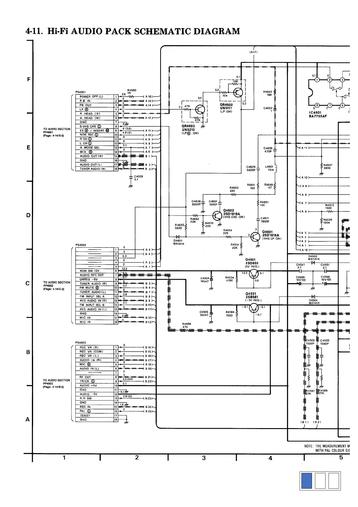
Panasonic NV-HS800 - Hi-Fi Audio Pack Schematic Diagram

Panasonic NV-HS800
111 pages
Print Icon
To Next Page IconTo Next Page
To Next Page IconTo Next Page
To Previous Page IconTo Previous Page
To Previous Page IconTo Previous Page
Loading...

Table of Contents

Related product manuals