EasyManua.ls Logo

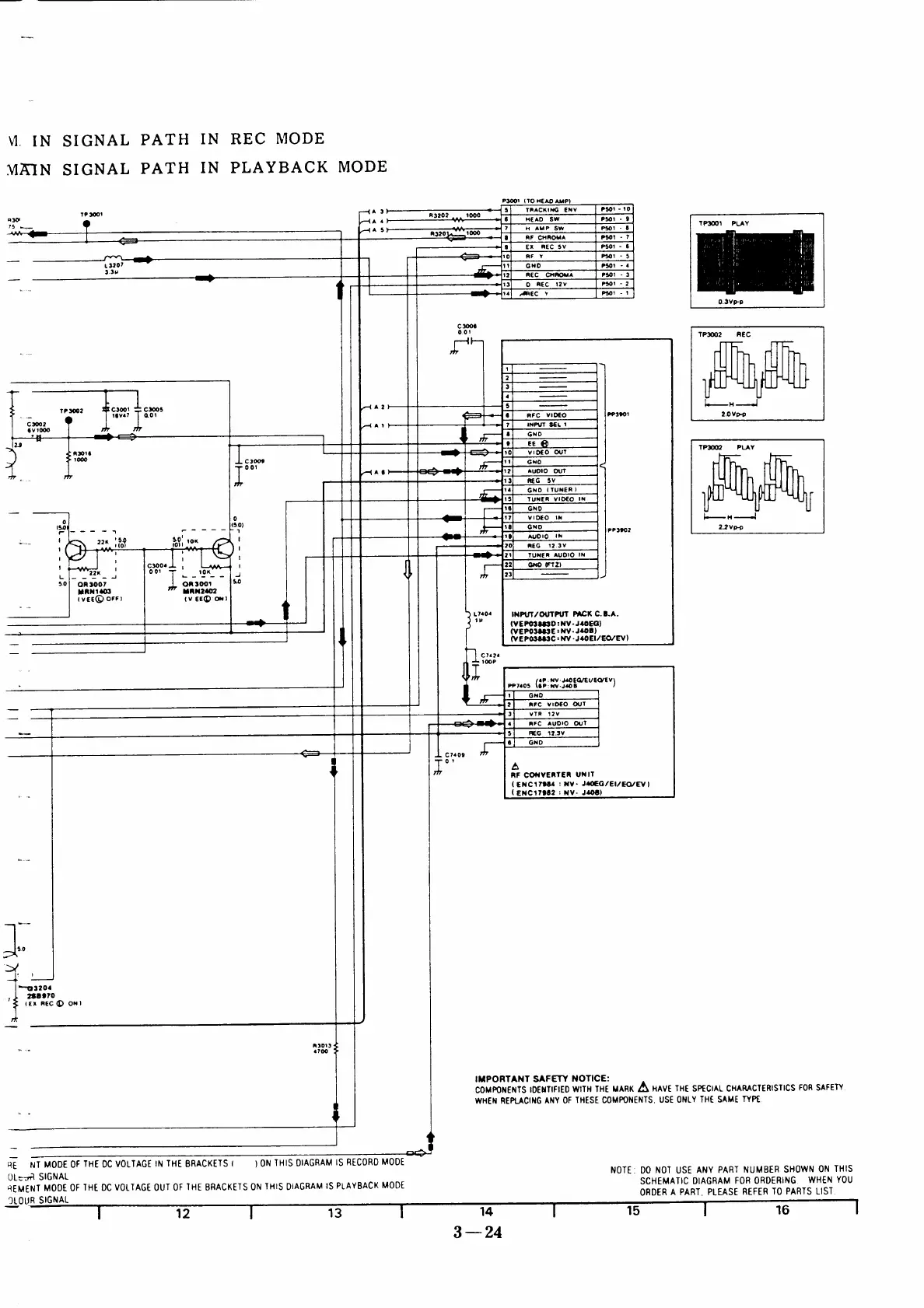
Panasonic NV-J40 - Main Signal Path in Rec Mode

Panasonic NV-J40
68 pages
Print Icon
To Next Page IconTo Next Page
To Next Page IconTo Next Page
To Previous Page IconTo Previous Page
To Previous Page IconTo Previous Page
Loading...

Table of Contents

Related product manuals