EasyManua.ls Logo

Panasonic NV-VS70EN - Using the Camera with a Computer; Computer System Requirements; Compatible Hardware and Software

Panasonic NV-VS70EN
94 pages
Print Icon
To Next Page IconTo Next Page
To Next Page IconTo Next Page
To Previous Page IconTo Previous Page
To Previous Page IconTo Previous Page
Loading...
-162-
ENGLISH
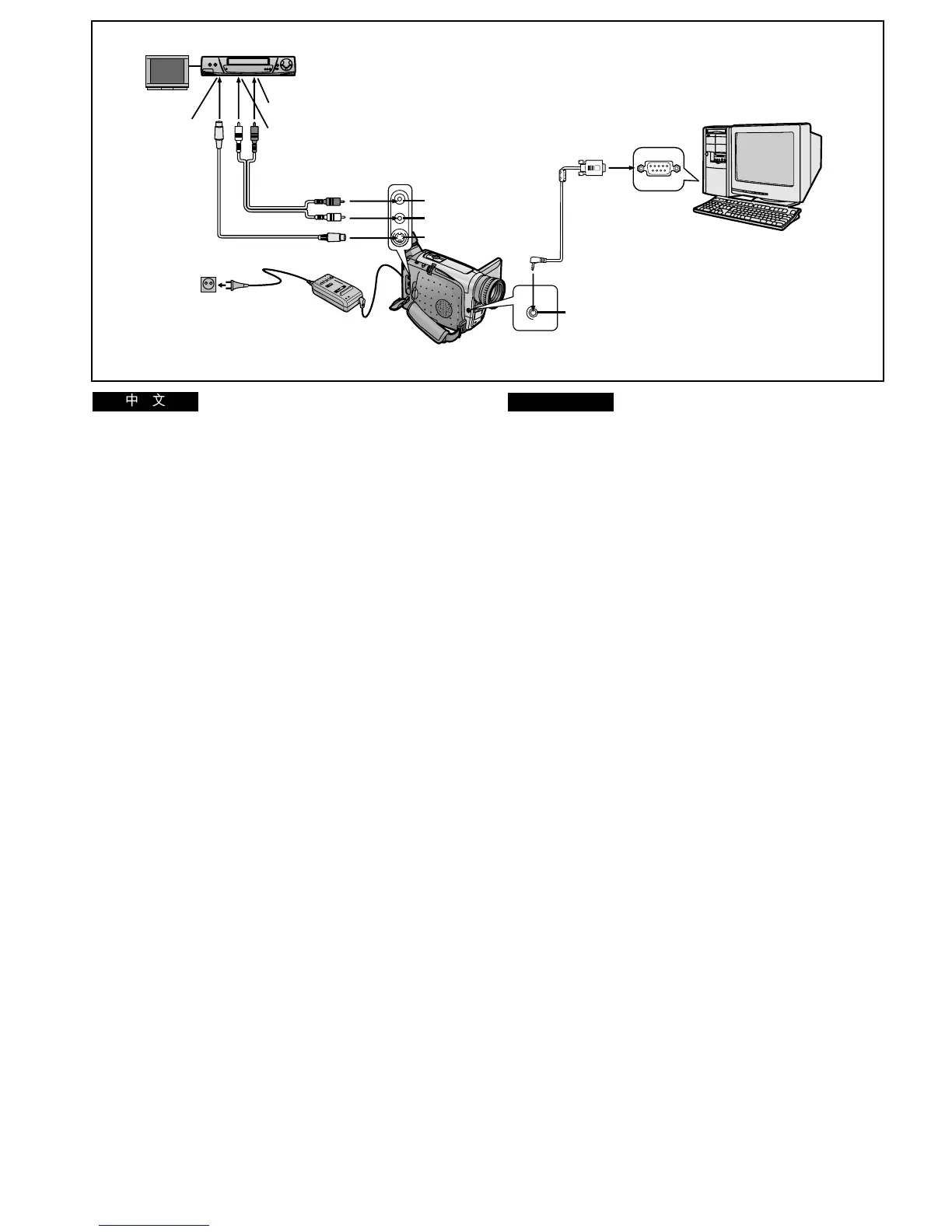
Using the Movie Camera with a
Computer
The supplied Personal Computer Connection Kit makes it
possible to connect the Movie Camera to a computer and
transmit still video images to it.
Computer System Requirements
DV STUDIO2 can be installed in a PC/AT compatible
personal computer which can run Microsoft
®
Windows
®
95/98.
(Already confirmed to operate correctly on Windows
®
Me)
Compatible machines:
Personal computer with 80486DX4 or higher CPU
(Pentium
TM
or higher recommended)
Graphic card:
True Color (approx. 16.7 million colours) recommended
(operation also possible even with 256 colours)
Installed memory: 16 MB or more
(32 MB or more recommended)
Free hard disk space: At least 16 MB
Disk drive: CD-ROM drive
Ports: RS-232C (D-sub 9 pin)
Other requirements: Mouse
Windows is a trademark or registered trademark of Microsoft
Corporation U.S.A.
All other company and product names in the operating
instructions are trademarks or registered trademarks of their
respective corporations.
Pictures that you intend to import from cassette into
computer applications should be recorded in the SP Mode.
For detailed explanations on the operating environment,
connections and operations, refer to the Personal Computer
Connection Kits operating instructions.
DIGITAL
STILL
PICTURE
V
A
S-VIDEO
DIGITAL STILL PICTURE
VIDEO IN
S-VIDEO IN
AUDIO IN
 !"#$%&'()*
 !"#$%&'()*+,-.$%/"#01(*23
 !"#$%
 !"#$
as=pqraflO !"#$% O !"#$% jáÅêçëçÑí
R
táåÇçïë
R
= VRLVU m`L^q  !" !"#$%
táåÇçïë
R
=jÉ  !"#$
 !"
UMQUSauQ !"#$%&!'()*+,-.mÉåíáìã
  !"#
 !
 !"#$ NSKT  ! ! ORS  !"#$%
 !" NSj_   POj_  !
 !"#$ NSj_
 !"# `aJolj 
 opJOPO`aJëìÄ=V 
 !" 
táåÇçïë  !"#$%&'()*&'+
 !"#$%&'()*+,-./0123)*$45
 !"#
 !"#$%&'()*+,-./012*3+ pm
 !"
 !"#$%&' !()*+,-./0123%&4
 !"#$%

Table of Contents

Related product manuals