EasyManua.ls Logo

Panasonic QUASAR PV-C1320

Panasonic QUASAR PV-C1320
187 pages
To Next Page IconTo Next Page
To Next Page IconTo Next Page
To Previous Page IconTo Previous Page
To Previous Page IconTo Previous Page
Loading...
20
16
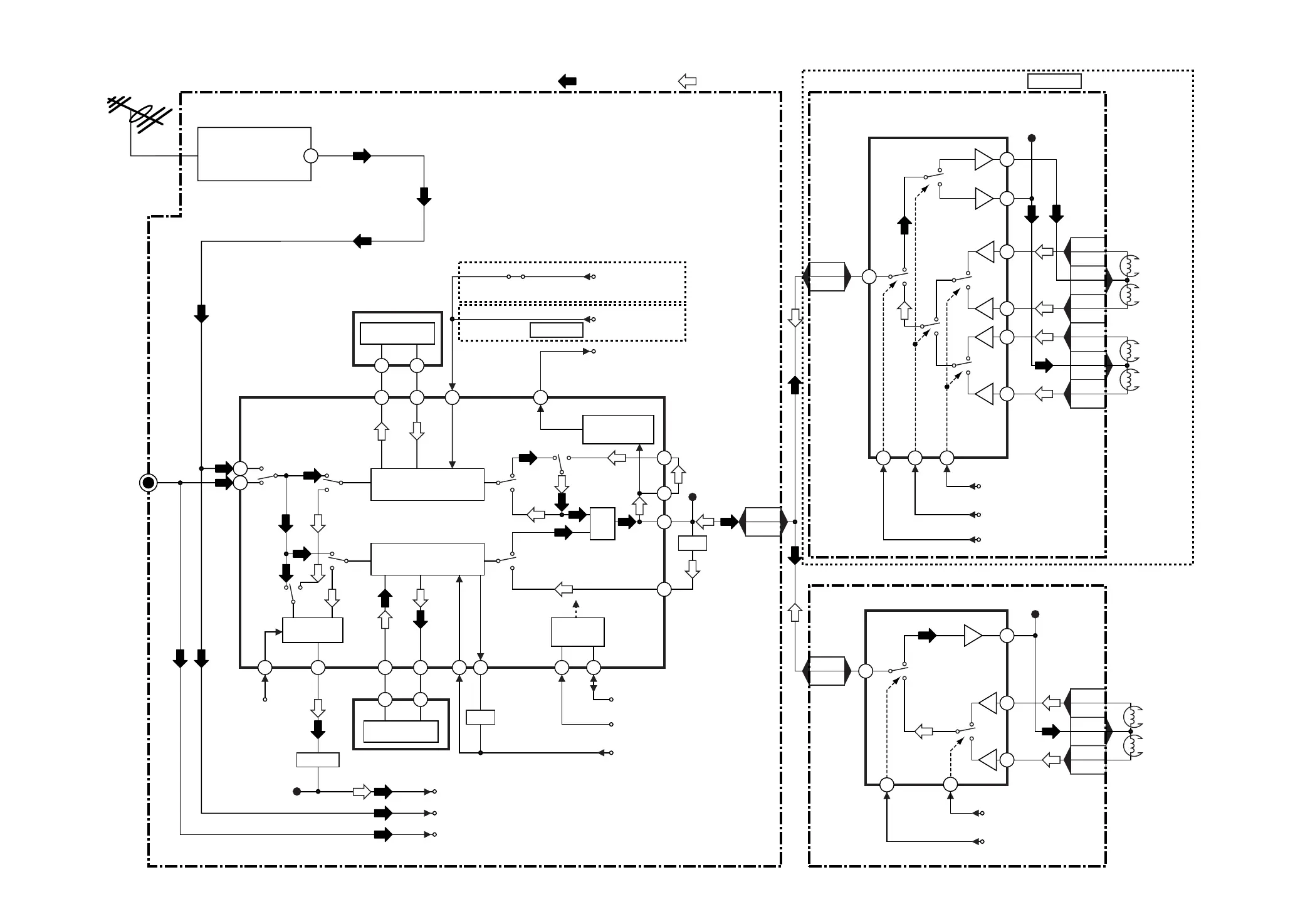
TUNER
LINE
REC
PB
REC
2513
Y/C MIX
ART V/H MIX
REC/PB CHROMINANCE
SIGNAL PROCESS
X3001
(3.58MHz)
REC/PB LUMINANCE
SIGNAL PROCESS
PB
REC PB
10
12
82 81
7 8
I C
CONTROL
2
Y/C
MIX
PB
REC-Y
REC-C
PB-Y
46
45
41
AT ENVELOPE
DETECT
40492729
REC
PB
REC
34
REC
PB PB-C
IC3001
(VIDEO PROCESS)
CCD 1H DELAY
IC3201
(WITH 2 HEAD)
(WITH 4 HEAD)
J6003
45
CCD 1H DELAY
TP3001
(FROM IC6001(31))
V-LOCK PULSE
(TO IC5301(1))
PB VIDEO
(TO IC5301(48))
TUNER VIDEO
(TO IC5301(46))
LINE VIDEO
TP3002
Q3002
(TO IC6001(81))
ENVELOPE VOLTAGE
(FROM IC6001(29))
ROTARY SW
(FROM IC6001(24))
HEAD SW PULSE
P3001
1
P3501
1
P3501
1
HEAD AMP C.B.A. (FOR 4HEAD MODEL)
VIDEO
LP/SLP
L HEAD
VIDEO
LP/SLP
R HEAD
VIDEO SP
L HEAD
VIDEO SP
R HEAD
IC3501 (HEAD AMP)
L
R
L
R
SP
LP/
SLP
SP
LP/SLP
REC
PB
(FROM IC6001(30))
HEAD AMP SW
(FROM IC6001(24))
HEAD SW PULSE
(FROM IC6001(50))
PB(L)
TP3501
30
18
16
4
6
13
11
13231
P3503
5
P3503
2
P3503
6
P3503
4
P3503
1
P3503
3
P3503
2
P3503
1
P3503
3
30
31
1
4
6
18
VIDEO
L HEAD
VIDEO
R HEAD
L
R
REC
PB
IC3501 (HEAD AMP)
(FROM IC6001(24))
HEAD SW PULSE
(FROM IC6001(50))
PB(L)
TP3501
IC3201
1 8
(FROM IC6001(27))
I C SERIAL CLOCK
2
(TO/FROM IC6001(28))
I C SERIAL DATA
2
VIDEO
IN
HEAD AMP C.B.A. (FOR 2HEAD MODEL)
REC VIDEO SIGNAL
PB VIDEO SIGNAL
UHF/VHF TUNER/TV
DEMODULATOR UNIT
TV/VCR MAIN C.B.A.
RF
VIDEO
25
(FROM IC5301(31))
3.58MHz
AMP
BUFFER
Q3001
OSC
NOT USED
NOT USED

Related product manuals